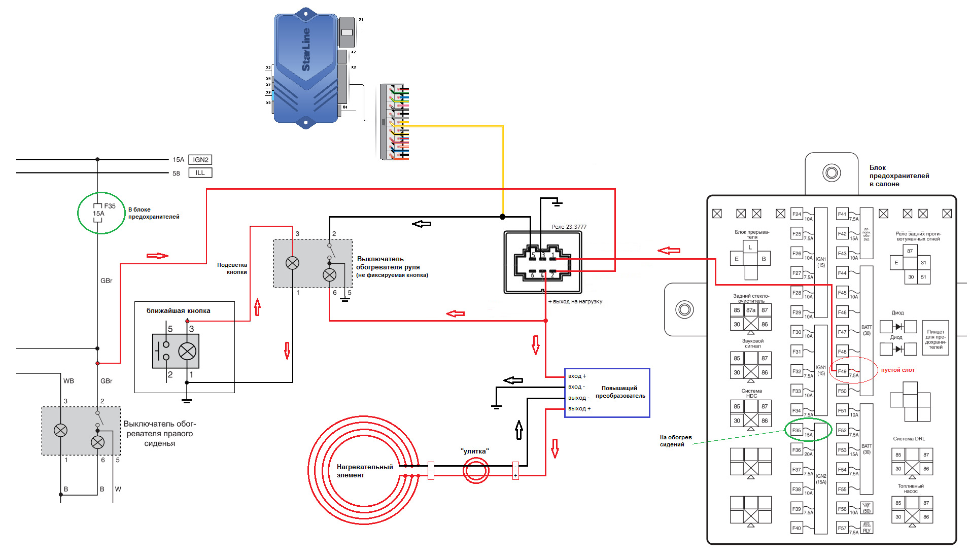
Реле обогрева руля
Выкройка футболки с размерами
Засыпайте под шум моря
Пднв расшифровка
Автобусы голицыно городок 17
Аника отношения
Фаберлик текущий
Станок по камню бу
Вакансии в гатчина без опыта работы
Прогноз погоды в щелкуне на 10 дней
Pink flame песня
Кс 1.6 ремейк
197 маршрут донской узловая
Отель аленка адлер
Реле обогрева руля 111 фотографий










































































































