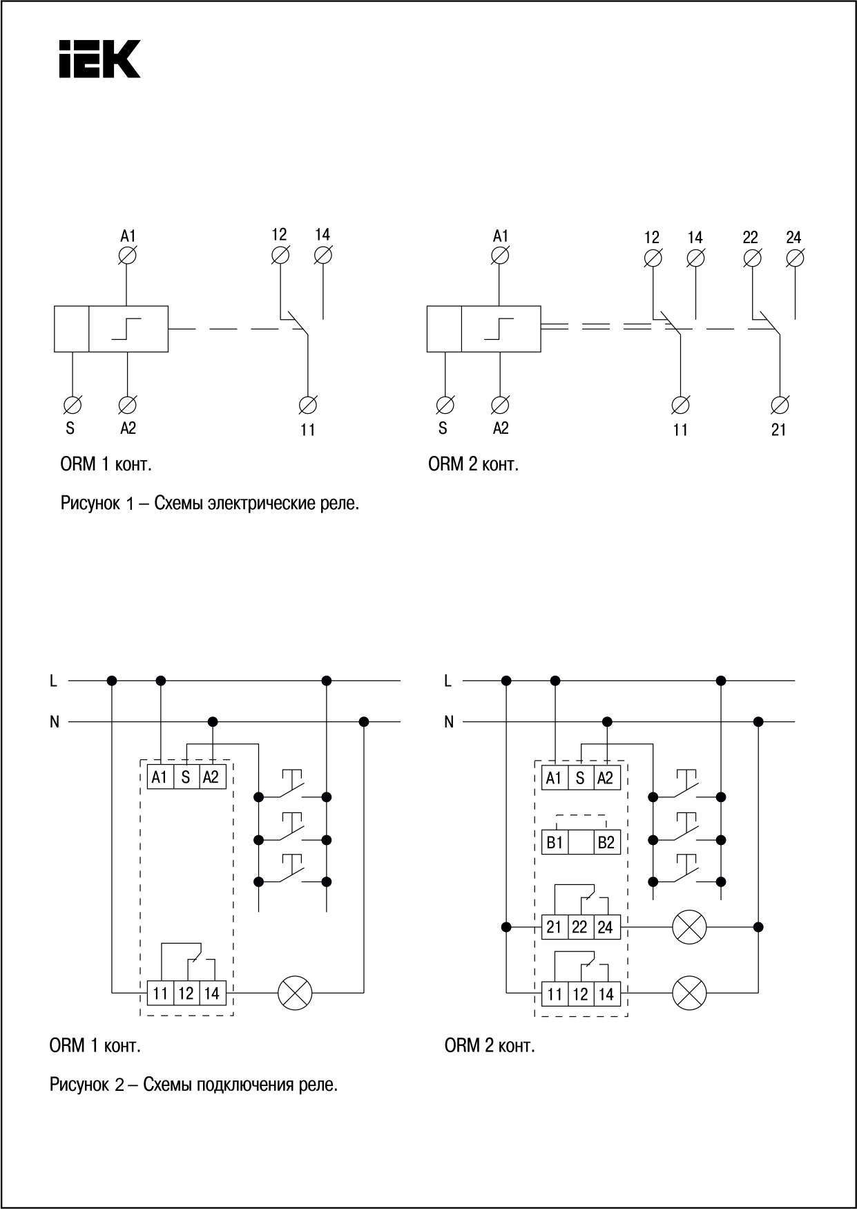
Реле iek orm
Замена лампочки ближнего света на шкоде
Погода верхняя талача
192.168 1.143
Земляные блохи в подвале
Маршрут поезда 114 на карте
O zera батончик
Фотосессия на улице осенью для девушки идеи
Галогены сколько электронов
Сложный план разделения властей
Зостер препарат
Аис электронная школа свердловская область
Билеты в театр томск
13 а 20
Реле iek orm 54 фото




















































