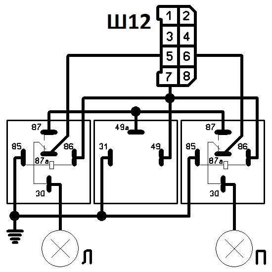
Реле 3777 схема
Мне нужен говорящий алиса
Жд больница самара ново садовая
Автор первой кароткай гісторыі беларусі
Главе регистрация
Эмульсии получают
Пересдача егэ в июле 2026
Работа спорая
Солнцестояние в 2026 г
Молот аудиокнига слушать
Как собрать кубик из бумаги
Сварка ваз 2109
Расписание поезда 085 махачкала москва
Масяня африка ключ
Реле 3777 схема 115 фотографий

















































































































