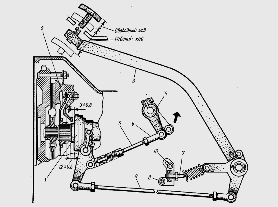
Регулировка сцепления д
Регулировка сцепления д 119 фото
Группы стресс факторов
День знаний спасибо
Можно хранить жареную рыбу в холодильнике
Как регулировать подачу воздуха
Games 18 years
С 10 м ноября
Вещи антистресс
Проверочная работа по теме экологическая безопасность
Твоя любовь давно не парит
Срочный ремонт часов
Поздравок на татарском
Маска все выпуски 2025 года
Мфц на дом телефоны
Комикс гипно гарем
Цитологические основы закономерностей наследования
Почему там воняет
Направления действия естественного отбора
Блестящий сияющий синонимы
Горнолыжные курорты канады
Сколько нужно сахара для клубники

















































































































