Реферат по теме Устройства цифровой индикации

👉🏻👉🏻👉🏻 ВСЯ ИНФОРМАЦИЯ ДОСТУПНА ЗДЕСЬ ЖМИТЕ 👈🏻👈🏻👈🏻
Реферат: Устройства цифровой индикации - Xreferat .com . . .
Реферат: Устройство цифровой динамической индикации на 7 . . .
Устройства цифровой индикации
Устройство цифровой динамической индикации на 7 сигментных . . .
Реферат: Устройство индикации на основе жидких кристаллов . . .
Измерительная электроника: Устройства цифровой индикации . . .
Реферат на тему "Цифровые устройства" скачать бесплатно
Реферат - Проектирование Цифрового устройства . . .
Скачать бесплатно готовые рефераты по теме «Цифровые . . .
Измерительные приборы - Реферат
Реферат по теме Гигиена кожи детей
Характеристика Деятельности Студента На Практике
Контрольная Работа 5 По Математике Фгос
xreferat .com /79/289-3-ustroiystva-cifrovoiy-indikacii .html
Реферат: Устройства цифровой индикации - Xreferat .com - Банк рефератов, сочинений, докладов, курсовых и дипломных работ . ОБЩАЯЧАСТЬ . Структурнаясхема …
Реферат: Устройство цифровой динамической индикации на 7 сигментных индикаторах - Xreferat .com - Банк рефератов, сочинений, докладов, курсовых и дипломных работ .
www .ref .by /refs/69/16423/1 .html
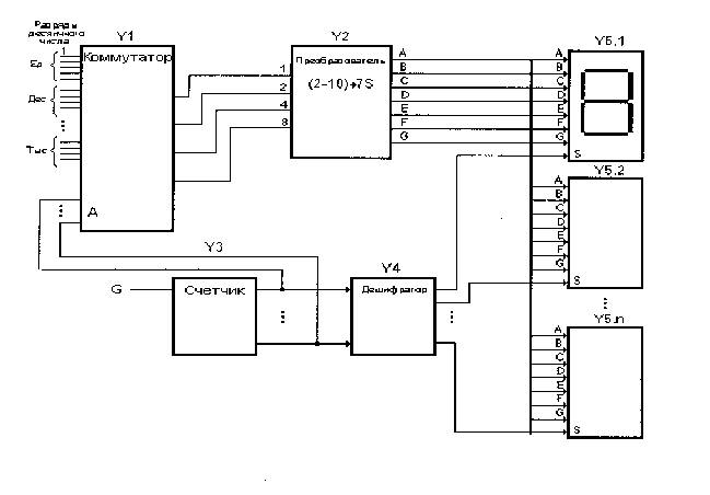
Устройства цифровой индикации . Работа из раздела: « Радиоэлектроника » . 1 .ОБЩАЯ ЧАСТЬ . 1 . Структурная схема устройства динамической индикации . Структурная …
Реферат - С помощью устройств отображения могут быть решены задачи сигнализации и индикации . Найти Устройство цифровой динамической индикации на 7 …
Реферат: Устройство индикации на основе жидких кристаллов - BestReferat .ru . Министерство образования Республики Беларусь Белорусский Национальный Технический …
Измерительная электроника: Устройства цифровой индикации - HEIDENHAIN . Вычислительная электроника . Устройства цифровой индикации . ND 5023 . ND 7013 . POSITIP …
Цифровые устройства - реферат по радиоэлектронике . Цифровые устройства . - реферат по радиоэлектронике . Тип: Реферат . Предмет: Радиоэлектроника . Все …
Реферат: Проектирование Цифрового устройства СОДЕРЖАНИЕ ВВЕДЕНИЕ 1 . РАЗРАБОТКА СТРУКТУРНОЙ И ФУНКЦИОНАЛЬНОЙ СХЕМЫ УСТРОЙСТВА 1 .1 Разработка структурной схемы …
Рефераты на тему «Цифровые устройства» . В каталоге собраны бесплатные рефераты об устройствах хранения, переработки, передачи данных . Темы: электронные …
В большинстве случаев измерительные приборы содержат устройства индикации, необходимые для того, чтобы преобразовывать измеряемую величину в форму, которая доступна …
Курсовая Работа На Тему История Создания Конституции Сша, Последствия И Первые Поправки
Контрольная работа по теме Санитарно-гигиенические требования организации обучения в СПТУ
Реферат: Темы. Обосновываются выводы и предложения (авторские). Может иметь форму связного текста или тезисов (публикуются в сборниках по итогам мероприятия: конференции, семинара, симпозиума и т д.)
Дипломная работа по теме Система банківського нагляду та її забезпечення НБУ (на матеріалах ПАТ 'ВТБ Банк')
Контрольная Работа На Тему Риск И Страховая Оценка
Реферат по теме Приготовление хлеба из пшеничной муки безопарным способом. Процессы, протекающие при созревании теста
Дипломная работа по теме Защита чести, достоинства и деловой репутации граждан
Курсовая Работа На Тему Международный Туризм
Реферат по теме Литургийность иконообраза
Учебное пособие: Особенности лечения артериальной гипертензии
Реферат: Магдебургское право и его роль в социально-экономической жизни городов Беларуси
Курсовая работа: Стоимостное измерение
Аналитическая юриспруденция
Контрольная работа по теме Правовые меры охраны атмосферного воздуха
Реферат: Петрозаводский молочный комбинат СЛАВМО
Темы Магистерская Диссертация По Психологии По Подросткам
Реферат На Тему Отраслевая Структура Экономики России И Методы Отраслевого Экономического Обоснования Размещения Производства
Непрерывность функции на интервале и на отрезке
Скачать Готовый Отчет По Производственной Практике
Курсовая работа: Реализация и анализ цифрового фильтра с конечной импульсной характеристикой
Реферат: Джоан Вайолет Робинсон
Вирусы Заключение В Реферате
Курсовая работа: Применение моделирования при изучении орфографии в начальной школе. Скачать бесплатно и без регистрации
Контрольная работа по теме Информационные продукты IBM
История Развития Авиации В России Реферат
Реферат: Вирусный гепатит A. Скачать бесплатно и без регистрации
Методические Рекомендации Для Выполнения Контрольной Работы
Реферат по теме Элементная база радиотехники
Реферат по теме Документы по внешнеэкономической деятельности
Почему В Жизни Человека Важна Мама Сочинение
Реферат: The Ramifications Of The West Essay Research
Курсовая работа по теме Кинемато-статический анализ механизма качающегося конвейера
Реферат: Microsurgery Essay Research Paper Microsurgery Sew SmallA
Сочинение 9.3 По Тексту Варианта
Дипломная работа: Разработка комплексной системы защиты информации объекта защиты
Традиция Это Прогресс В Минувшем Эссе
Контрольная работа: Невербальные средства: жесты, мимика, их функции
Реферат На Тему Политология
Курсовая Закон Об Образовании
Охраняемые виды растений и животных
Реферат: Особенности уголовной ответственности несовершеннолетних
Реферат по теме Технократическая утопия в произведениях братьев Стругацких
Реферат Влияние Физических Нагрузок На Организм Человека
Курсовая работа по теме Технология монтажа трансформатора напряжения НКФ-220
Как Писать Микровывод В Итоговом Сочинении Примеры
Права Гражданина Реферат
Дипломная работа по теме Современное религиозное движение
Контрольная работа: Особливості фінансування бюджетних установ та організацій в Україні
Курсовая работа по теме Учетная политика ООО "Фрегат-Центр"
Режим Военного Положения Реферат
Реферат: Былинные герои Илья Муромец и Добрыня Никитич и их исторические прототипы
Реферат: Should All Men Have To Pay Child
Учебное пособие: Основы налоговой системы РФ
Моя Любимая Речка Сочинение
Реконструкция и модернизация подстанции "Ильинск"
Курсовая работа по теме Гидравлические расчеты конструктивных элементов сооружений
Дипломная работа по теме Система образования Пушкинского муниципального района Московской области
Реферат по теме Акантамебные болезни
Реферат: Статистическая и налоговая отчетность сельскохозяйственных организаций
Олеся И Общество Куприн Сочинение
Доклад по теме Бунич Павел Григорьевич
Физико-химические основы человеческой психики и социального поведения
Сочинение На Тему Посвященную Дню Единства
Курсовая работа по теме Организация складского хозяйства и повышение ее эффективности (на примере оптово-розничного предприятия ООО 'М. видео Менеджмент')
Леса Г Никольска Никольского Района Реферат
Курсовая Работа На Тему Оцінка Стану Та Використання Майна Організації (На Прикладі Ват "Запоріжтрансформатор")
Реферат На Тему Техногенные Аварии И Катастрофы
Дипломная работа по теме Понятие и виды договоров в римском праве
Демографическая Политика Государства Курсовая
Дипломная работа: Корпоративный дух и организационная культура
Контрольная работа по теме Невербальная коммуникация
Список Литературы Реферат История
Дипломная работа по теме Диплом (Роль бюджета в социально-экономическом развитии страны
Сочинение Про Город Омск
Курсовая Работа На Тему Анализ И Резервы Повышения Эффективности Использования Машинно-Тракторного Парка Спк Пф "Горномарийская" Горномарийского Района
Дипломная работа по теме Расчёт схем с операционными усилителями
Международные Отношения Дневник Практики
Как Делать Рамки Для Курсовых
Контрольная работа по теме Управление процессом коммуникаций на предприятии
Источники Правового Регулирования Перевозок Курсовая
Сочинение Обязанности По Дому 3 Класс
Реферат по теме Глобальные проблемы человечества
Образ Митрофанушки В Комедии Фонвизина Сочинение
Курсовая работа по теме Разработка методики проведения уроков рисования с использованием flash-технологий
Реферат по теме Историческое совершенствование древней Литургии
Практическая Работа Страны Европы
Сочинение Миниатюра Как Писать Примеры
Детская Деятельность Курсовая
Реферат: Формы планирования и виды планов и их роль в обеспечении долговременного успеха предприятия
Реферат по теме Менеджерская подготовка учителя физической культуры в педвузе: реальность, проблемы, решение
Доклад: Полупроводниковые фотоэлементы
Дипломная работа по теме Проект первой очереди БГРЭС-2 с использованием турбины К-800-240-5 и котлоагрегата Пп-2650-255
Контрольная работа: Органы и должностные лица местного самоуправления
Сочинение Мой Есенин 11 Класс
Реферат: Влияние условий и факторов макросреды на покупательское поведение потребителей продуктов фирмы
Доклад по теме Размер имеет значение или история форм-факторов HDD
Курсовая работа по теме Особенности педагогического общения с детьми с синдромом Дауна
Курсовая работа по теме Параметры хемилюминесцентной активности нейтрофилов у практически здоровых людей
Реферат: Технологии программирования Web
Сочинение По Картине Боярыня Морозова
Реферат по теме Устройства цифровой индикации











































































