Реферат по теме Разработка компенсационного стабилизатора напряжения на базе операционного усилителя. Разработка цифрового

💣 👉🏻👉🏻👉🏻 ВСЯ ИНФОРМАЦИЯ ДОСТУПНА ЗДЕСЬ ЖМИТЕ 👈🏻👈🏻👈🏻
Реферат на тему "Разработка компенсационного стабилизатора . . .
Реферат: Разработка компенсационного стабилизатора . . .
Разработка компенсационного стабилизатора напряжения на . . .
Реферат: Расчет компенсационных стабилизаторов напряжения . . .
Расчет компенсационных стабилизаторов напряжения
Разработка цифрового фильтра (Курсовая работа), стр .2 . . .
СКАЧАТЬ РЕФЕРАТ Расчет компенсационных стабилизаторов . . .
Все Рефераты по радиоэлектронике (Примеры и образцы . . .
Курсовая разработка цифрового термометра . Реферат о . . .
Разработка электронного офиса — allRefs .net
Реферат по теме Местные бюджеты, бюджетный федерализм. Доходы и расходы местного бюджета, их экономическое содержание
Лабораторные Работы Мгту
Отчёт По Преддипломной Практике
Разработка компенсационного стабилизатора напряжения на базе операционного усилителя (ОУ) .
РЕФЕРАТ Курсовой проект по электронике, 18 стр ., 4 приложения . Стабилизатор напряжения . . .
xreferat .com /79/451-1-razrabotka-kompensacionnogo-stabilizatora-napryazheniya-na-baze-operacionnogo-usilitelya-razrabotka-cifrovogo .html
Разработка компенсационного стабилизатора напряжения на базе операционного усилителя .
xreferat .com /79/183-1-raschet-kompensacionnyh-stabilizatorov-napryazheniya .html
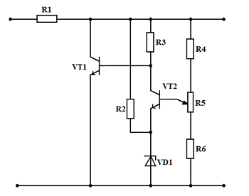
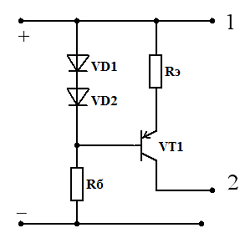
4 .4 Разработка схемы КСН на базе ИМС 17 . 5 . Анализ и оценка ошибок 20 . 6 . Вывод 22 . 7 . Список литературы 23 . Приложение 1 . Схема электрическая принципиальная . на …
4 .4 Разработка схемы КСН на базе ИМС 17 . 5 . Анализ и оценка ошибок 20 . 6 . Вывод 22 . 7 . Список литературы 23 . Приложение 1 . Схема электрическая принципиальная . на …
Разработка цифрового фильтра . Алгоритм умножения на коэффициент (на константу без знака) целесообразно реализовать программным способом на основе алгоритма …
www .zadachi .org .ru /?n=15036
Разработка компенсационного стабилизатора напряжения на базе операционного усилителя . . .
Реферат по теме Синтез управляющего автомата операции умножения младшими разрядами вперед со сдвигом множимого над числами в форме с фиксированной точкой в …
www .za4et .net .ru /referat/tmrvm
На вход также подается земля и питание .9) Супервизор напряжения . Курсовая разработка цифрового термометра . Реферат о термометрах . Цифровой термометр реферат .
allrefs .net /c21/1qcfh/
Разработка электронного офиса Информатика Расчетно-графическая Работа . На сайте allRefs .net есть практически любой реферат, курсовая работа, конспект, лекция …
Егэ Сочинение По Русскому 2022
Заказать Эссе Недорого И Быстро
Курсовая Работа Реклама В Коммерческой Деятельности
Реферат: Топографічне знімання місцевості методом геометричного нівелювання. Поняття про фотограмметричні знімання місцевості
Курсовая работа по теме Административно-правовое положение иностранных граждан и лиц без гражданства
Культура Средних Веков Реферат Кратко
Учебная Практика Отчет Таможенное Дело
Реферат На Тему Признаки Бюрократизации Аппарата Управления
Критерии Оценки Егэ Сочинения Таблица
Доклад по теме Биоритмы сексуальные
Сочинение Эссе 11 Класс Русский Язык
Подобрать Материал К Сочинению
Контрольная работа по теме Сприяння адвокатом механізму реалізації прав і обов'язків
Реферат На Тему Философия Платона, Ее Объективный Идеалистический Характер
Часть Речи В Русском Языке Реферат
Эссе О Дистанционном Обучении В Школе
Сочинение Мало Ли Что Можно Делать
Курсовая работа по теме Травмы, встречающиеся при занятиях баскетболом
Реферат: Неотложная помощь педиатрии. Скачать бесплатно и без регистрации
Контрольная работа по теме Компьютерная безопасность, вирусы и компрометация электронной цифровой надписи
Рынок Акций Энергетических Компаний В России Реферат
Инвестиции В Экономической Безопасности Курсовая
Реферат: Банки. Скачать бесплатно и без регистрации
Сочинение О Сказке На Английском
Курсовая работа: Разработка измерителя температуры жидкости
Эссе При Приеме На Работу Руководителем
Дипломная работа по теме Дослідження технології очищення води методом озонування, розрахунок матеріального балансу процесу
Реферат: Вільнодумство Стародавнього світу
Стоит Ли Писать Докторскую Диссертацию
Курсовая работа: Федеративные отношения в России
Контрольная работа по теме Физиология с основами анатомии человека
Контрольная работа: Пятая республика во Франции
Реферат: Період Руїни в Україні
Эссе На Тему Учитель Которого Ждут
Реферат: Наследование понятие, виды, субъекты, оформление наследственных прав
Контрольная Работа Математические Основы Информатики 1 Вариант
Курсовая работа по теме Ввод и вывод в языке С++
Реферат: American Identity Essay Research Paper American IdentityFor
Реферат по теме Общая характеристика Туниса
Курсовая работа: Призначення та сутність обліку затрат на виробництво. Місце обліку в управлінні поточними витратами
Реферат: Индексная оценка пародонтального статуса на русском и украинском языке
Реферат по теме Проектно-технологические подходы в подготовке учителя
Отчет по практике по теме Автоматизация системы учета медиатеки Брянского областного центра новых информационных технологий
Контрольная Работа Страницы Истории
Курсовая работа: Маркетинговая политика ценообразования
Погода И Климат Реферат
Лабораторная работа: Сетевая безопасность. Программные средства сетевой безопасности. Технические средства сетевой бе
Реферат: Кража
Эсса Срок Годности
Написать Сочинение Описание Памятника Пушкину В Москве
Реферат: Некоторые аспекты оптимизации параметров ядерного топлива для ВВЭР
Реферат по теме Перспективные направления развития проблемы восстановления кожного покрова у обожженных
Курсовая работа по теме Работа с каталогами и подкаталогами. Работа с файлами
Лабораторная работа №6 по "Основам теории систем" (Решение задачи о ранце методом ветвей и границ)
Курсовая работа: Международная купля-продажа товаров. Скачать бесплатно и без регистрации
Жизнь Во Вселенной Реферат
Контрольная Работа По Изо 4 Класс
Основы И Составляющие Здорового Образа Жизни Реферат
Отчет О Практике В Компании
Отчет по практике по теме Характеристика магазина 'Интуиция'
Отчет по практике: Учет денежных средств на предприятии
Курсовая работа по теме Проектирование специального станочного приспособления
Дипломная работа по теме Механизм ипотечного кредитования, используемый в деятельности банков
Реферат по теме Витаутас Великий
Сочинение Описание Невского Проспекта
Курсовая работа по теме Проектирование металлических конструкций
Реферат по теме Художник "Царской охоты" - Николай Самокиш
Реферат: Fly Away Peter Essay Research Paper Human
Контрольная работа по теме Воспроизведение звука в системе персонального компьютера
Реферат по теме Спіральні теплообмінні апарати
Реферат: Причины падения Римской Империи. Тезисы Дугласа Норта
Дипломная работа по теме Лексико-грамматические трансформации в художественном тексте
Термодинамические основы подземной выплавки серы
Дипломная работа: Необходимость аудиторской деятельности в условиях рыночной экономики
Жизнь Вятичи Краткий Реферат Жизнь
Реферат: Идея протекционизма и критика принципа свободы обмена в политико-экономической доктрине Фридриха Листа
Изложение: Жизнь и удивительные приключения Робинзона Крузо. Дефо Даниэль
Курсовая Работа На Тему Институт Двойного Гражданства
Реферат На Тему М.Е. Салтыков-Щедрин - Редактор
Реферат: Строительство производственного комплекса по переработке твердых бытовых и приравненных к ним пр
Курсовая работа по теме Расчет надежности устройства
Сочинение О Себе В Возрасте 60 Лет
Что Такое Любовь Сочинение Рассуждение
Заказ Курсовых Работ Знаменитый Сервис
Как Написать Характеристику Студента На Практике
Контрольная работа: Методология и практика маркетинговых исследований. Скачать бесплатно и без регистрации
Реферат: Москва при Екатерине II. Скачать бесплатно и без регистрации
Контрольная работа по теме Биржевые торги и порядок их ведения
Контрольная работа: Рекламные стредства и расчет эффективности рекламной кампании
Книга: Правове забезпечення підприємницької діяльності (Мачуцький)
Контрольная Работа Дробные Рациональные
Контрольная работа: Становление судебной бухгалтерии как экономико-правовой дисциплины
Реферат: Брокерская и дилерская деятельности
Дошкольный Возраст Реферат
Технология Работы Психолога С Учителем Курсовая Работа
Реферат по теме Явление Христа Народу
Аргументы К Сочинению Путь К Победе
Признаки Государства Реферат
Методики Дипломной Работы
Реферат по теме Экологические фонды: задачи, принципы, особенности
Реферат по теме Разработка компенсационного стабилизатора напряжения на базе операционного усилителя. Разработка цифрового
























































































