Реферат по теме Программа-отладчик микроконтроллера I8051 (К1816ВЕ51)

💣 👉🏻👉🏻👉🏻 ВСЯ ИНФОРМАЦИЯ ДОСТУПНА ЗДЕСЬ ЖМИТЕ 👈🏻👈🏻👈🏻
Программа-отладчик Микроконтроллера I8051 (К1816ве51 . . .
Программа-отладчик Микроконтроллера I8051 (К1816ве51)
Реферат на тему "Структура микроконтроллера" скачать бесплатно
Микроконтроллеры Бесплатно Рефераты
Реферат: Трансляция, компиляция, интерпретация, линкование . . .
Реализация цифрового термометра на основе микроконтроллера . . .
5 .1 . Арифметико-логическое устройство - СтудИзба
Реферат: Система математических расчетов MATLAB - Xreferat . . .
Разъяснение характеристик микроконтроллеров и принципов их . . .
Дипломная работа на тему «Охранная система с дистанционным . . .
Контрольная Работа На Тему Раны, Классификация Ран, Механическая Антисептика В Лечении Ран
Эссе На Тему Методы Обучения
Реферат по теме Значение холодных блюд и закусок в питании
Программа-отладчик микроконтроллера i8051 (К1816ВЕ51) Программа-отладчик микроконтроллера i8051 . . .
Программа-отладчик микроконтроллера i8051 (К1816ВЕ51) Введение . Программа-отладчик . . .
Реферат по информатике и телекоммуникациям на тему: Структура микроконтроллера
Московский Техникум Информатики и Вычислительной Техники Реферат по дисциплине: «Установка и конфигурация периферийных устройств» На тему: «Управление шаговыми …
Системное ПО, операционные и интерфейсные системы, средства отладки . Программа расчета внутренней стоимости ценных бумаг . Состав и назначение оболочки Borland C
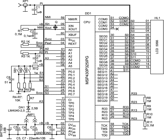
Общие сведения о микроконтроллерах avr, их основные параметры . Функции термометра . . .
5 Функциональные блоки МП . . 5 .1 Арифметико-логическое устройство . 5 .1 .1 Сумматоры В зависимости от типа операций АЛУ может оперировать одним или двумя словами данных …
Общие свойства и возможности рабочего стола . Получение справок (Getting Help) . Рабочее пространство системы MATLAB . Просмотр и редактирование массивов данных при помощи …
Разъяснение характеристик микроконтроллеров и принципов их действия . Содержание
БИС семейства К 1816ВЕ51 изготавливаются по n-МОП-технологии, при этом они имеют значительный ток потребления, который составляет 150 мА .
Практическое задание по теме Математическая модель асинхронного двигателя
Лимнологические Катастрофы Реферат
Реферат На Тему Правление Петра 1
Курсовая работа по теме Выбор оптимальной стратегии ремонта и замены оборудования
Дипломная работа по теме Обработка статистических данных предприятия
Девочку Звали Алиса Сочинение
Сочинение: Анализ эпизода встречи князя Андрея со старым дубом
Курсовая работа по теме Разработка концепции маркетингового исследования флористического салона
Реферат по теме Правовые системы в римском праве
Курсовая Работа На Тему Заболевания Органов Дыхания
Практическая Работа 3 По Русскому
Анализ поведения потребителя на основе гипотез порядкового измерения полезности блага (ординалистская концепция)
Реферат по теме Публицистический стиль и его особенности
Реферат по теме Буржуазно-демократическая революция в Испании 1931-1936 гг.
Дипломная работа: Конструкция генератора с фазовой автоподстройкой частоты для диапазонов ОВЧ-УВЧ
Реферат: Abuse Of Drugs Essay Research Paper Drug
Мини Сочинение О Древних Людях
Эссе по теме Достижения и проблемы конституции Российской Федерации
Творческие Дипломные Работы
Дипломная работа по теме Задачи, особенности, содержание и методика физического воспитания детей дошкольного возраста
Курсовая работа: Человеческий фактор в реализации стратегии. Скачать бесплатно и без регистрации
Понятие факторного анализа
Эссе На Тему Дружба На Немецком Языке
Курсовая работа по теме Ведущие ФПГ в нефтехимическом комплексе РФ
Лабораторная Работа Насоса
Курсовая работа по теме Основы политики Эстонского государства в отношении образования и здравоохранения
Реферат: Blaise Pascal Essay Research Paper Blaise PascalBlaise
Контрольная работа по теме Эволюция оды в русской литературе 18 века
Сочинение Уголок Осеннего Леса
Продать Курсовую Работу В Интернете
Курсовая работа по теме Понятие, значение, составляющие и формулировка миссии фирмы. Процесс создания миссии
Реферат: Органы обеспечения безопасности России
Изготовление деталей РЭС методами порошковой металлургии и давлением
Сочинение На Уроке Математике 5 Класс
Методические Рекомендации К Практическим Работам
Реферат: Oedipus Sight And Blindness Essay Research Paper
Реферат по теме Хронический катаральный отит у детей
Дипломная работа: Ринок цінних паперів як специфічна сфера грошового ринку
Реферат по теме Лидерство в политике. Типология политического лидерства
Реферат: Кассандра Сальвиати
Механические Передачи В Фрезерных Станках Реферат Пдф
Реферат: Петр Ильич Чайковский. Опера "Пиковая дама".
Курсовая Работа На Тему Законы Хамураппи Как Исторический Источник
Убийство Матерью Новорожденного Ребенка Курсовая
Шешендік Сөз Эссе
Как Правильно Делать Курсовую Работу Образец
Организация Ветеринарного Дела Курсовая Работа
Сочинение Про Путешествие По Архангельской Области
Реферат: The Life And Tragedy Of Jack Kerouac
Реферат: Маркетинг в биржевой деятельности
Сочинение Миниатюра Золотая Осень 8 Класс
Курсовая Оценка Стоимости На Примере Предприятия Элпром
Реферат На Тему Ионные Механизмы Потенциала Покоя
Охрана Труда Для Офисных Работников Дипломная Работа
Реферат по теме Системный подход к менеджменту предприятия
Отчет по практике по теме Исследование и оптимизация бизнес-процессов в ООО 'Х-компани'
Цели Итоговой Контрольной Работы По Математике
Курсовая работа по теме Управління конфліктами
Курсовая работа по теме Характеристика екологічної ситуації в місті Запоріжжя
9 Класс Физика Контрольная Работа 1 Кинематика
Реферат по теме The Tower of London
Реферат по теме Политкорректность, влияние на современный английский язык
Отчет по практике: Педагогическая работа в летнем спортивно-оздоровительном палаточном лагере
Реферат по теме Геометричні фігури на площині та їх площі
Реферат На Тему Августин Изповедите
Курсовая работа по теме Страхование государственных служащих
Егэ Декабрьское Сочинение 2022 Темы
Реферат по теме Война за польское наследство 1733-1735 гг.
Контрольная Работа На Тему Экономические Теории Риккардо
Акция Как Ценная Бумага Курсовая Работа
Практическое задание по теме Технология работы в Total Commander. Антивирусные программы. Установка и удаление программ
Курсовая работа по теме Производственно-отопительная котельная с паровыми котлами
Курсовая Работа На Тему Незаконная Порубка Лесных Насаждений
Дипломная работа по теме Последствия, издержки и борьба с инфляцией
Курсовая работа по теме Анализ оборотных активов ЗАО 'Продис'
Курсовая работа: Институт трудового стажа
Сочинение По Литературе 5 Класс Басни Крылова
Мини Сочинение Про Мою Любимую Книгу
Дипломная работа: Инновационные процессы в Белгородском регионе: их содержание, направления, инструменты совершенствования
Хорошие Поступки Эссе
Курсовая работа по теме Оценка состояния бухгалтерского учета и эффективности использования основных средств ОАО 'Оршасырзавод'
Эссе На Тему Решение Экологических Проблем
Образ Главной Героини Повести Бедная Лиза Сочинение
Верстак Для Точных Лабораторных Работ
Общая Характеристика Места Прохождения Практики Синергия
Дипломная работа: Дидактика перевода: работа над созданием пособия "Грамматические аспекты перевода. Часть 1" (групповой проект)
Доклад: Молодёжный театр
Реферат На Тему Новые Формы Трудовых Отношений: Надомный Труд И Дистанционная Занятость
Налоговая Служба Рф Реферат
Реферат: Амьенская операция
Сочинение: Пушкин о судьбе поэта и назначении поэзии
Реферат Бурение Горизонтальных Скважин На Малых Глубинах
Реферат: Направления логистики. Скачать бесплатно и без регистрации
Курсовая работа по теме Фильм Александра Николаевича Сокурова 'Фауст' 2022 года, его влияние на современного зрителя
Курсовая работа по теме Становление волонтерской деятельности в молодежной среде России
Реферат: LaoTzu Vs Machiavelli Essay Research Paper Laotzu
Чиновники В Мертвых Душах Сочинение
Президент Российской Федерации Реферат
Характеристика Темного Царства Сочинение
Контрольная работа по теме Частное право античного мира
Реферат по теме Программа-отладчик микроконтроллера I8051 (К1816ВЕ51)


















































































