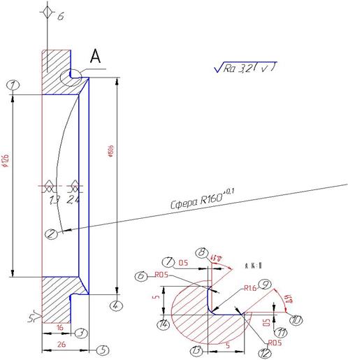
Реферат по теме Проектирование технологического процесса изготовления детали "Пробка"

⚡ 👉🏻👉🏻👉🏻 ИНФОРМАЦИЯ ДОСТУПНА ЗДЕСЬ ЖМИТЕ 👈🏻👈🏻👈🏻
Разработка технологического процесса изготовления детали . . .
Технологический процесс механической обработки детали "Вал"
Разработка технологического процесса изготовления детали . . .
Технологический процесс обработки детали типа Корпус . . .
Проектирование технологического процесса изготовления . . .
Изготовление детали вал-шестерня : Курсовая работа . . .
Испытание дизельной топливной аппаратуры
Реферат: Учебные программы по дисциплинам программы . . .
Кривошипно Шатунный Механизм Бесплатно Рефераты
Реферат: Токарно-винторезный станок модели 1А616 - Refy .ru . . .
Курсовая Работа По Пм 01
Реферат: Информационное поле и психические функции. Скачать бесплатно и без регистрации
Реферат: Контрольно-измерительные приборы. Скачать бесплатно и без регистрации
Скачать реферат по теме: Разработка технологического процесса изготовления детали 'Шкив . . .
4 . Методические указания для проведения практических занятий по теме "Точность механической обработки"; Дисц . "Основы технологии машиностроения" . Спец . 1201 - …
РЕФЕРАТ 1 Цели и задачи 2 1 . Технологическая часть 3 1 .1 Назначение детали в узле 3 1 .2 Анализ технологичности конструкции детали . 4 1 .3 Выбор и обоснование …
В данном проекте рассмотрен один из возможных технологических процессов обработки детали типа Корпус, разработан технологический процесс для выполнения на …
Белорусский государственный аграрный технический университет Кафедра технология металлов Курсовой проект по дисциплине "Технология производства и ремонт
Содержание Введение 1 Общая часть 1 .1 Характеристика узла машины и детали 1 .2 Исходные данные . . .
Реферат по теме: . . . Промывают детали распылителя сначала в бензине, а затем в дизельном топливе . . . . В корпус ввернута пробка <3, служащая направляющей штока …
УЧЕБНЫЕ ПРОГРАММЫ ПО ДИСЦИПЛИНАМ . ПРОГРАММЫ ПРОФЕССИОНАЛЬНОЙ ПЕРЕПОДГОТОВКИ «ПРИКЛАДНАЯ . . .
Кривошипно-шатунный механизм . 1 . КРИВОШИПНО-ШАТУННЫЙ МЕХАНИЗМ 1 . Общие сведения и классификация Кривошипно-шатунный механизм (КШМ) преобразует …
Наибольший диаметр обрабатываемой детали класса дисков, устанавливаемой над станиной, составляет 320 мм, а максимальный диаметр детали класса валов, закрепляемых в …
Дипломная работа: Судебное следствие в уголовном процессе
Дипломная работа по теме Жизнеописание патриарха Иова
Реферат На Тему Тесто И Его Виды
Курсовая работа: Исследование и разработка методов и алгоритмов резервного копирования данных, на жестких дисках. Скачать бесплатно и без регистрации
Контрольная Работа На Тему Разработка Товара, Который Будет Реализовываться
Реферат: My Stages Of Psychosocial Development Essay Research
Курсовая Работа На Тему А.И. Солженицын. Один День Ивана Денисовича
Сочинение Можно
Курсовая работа по теме Физико-химические методы исследования природных вод
Реферат: Особенности древнейших культур. Скачать бесплатно и без регистрации
Дипломная работа по теме Институт умышленного причинения средней тяжести вреда здоровью по уголовному законодательству РФ
Реферат: Reforming Legal Systems Around The World Essay
Спотлайт 6 Итоговая Контрольная Работа
Кастанеда Полное Собрание Сочинений
Курсовая Работа Маркетинговые Исследования Предприятия
Курсовая работа: Налоги на доходы физических лиц: социальные вычеты. Скачать бесплатно и без регистрации
Реферат: Общение в Интернет, психологические проблемы виртуального общения
Реферат: Losing Battles Against Drugs Essay Research Paper
Нарушевич Сочинение Егэ 2022 Презентация Скачать
Реферат: Внешняя Солнечная система
Контрольная работа по теме Тайные общества в России
Орфанные Заболевания Реферат
Погружаюсь В Детство Сочинение Егэ
Реферат: План а: Физическое развитие и состояние здоровья детей и подростков. Основные закономерности физического развития. Акселерация. Показатели и методы оценки физического развития
Курсовая работа: Организация учета производственных запасов в ООО Виноградный Симферопольского района Автономной
Реферат: Астафьев Виктор Петрович. Скачать бесплатно и без регистрации
Реферат: Dracula And Evil Essay Research Paper Be
Сочинение: Белинский В.Г. - выдающаяся личность 20 века
Теория: География
Реферат: Политическая власть сущность и особенность
Докторская Диссертация После Кандидатской Сколько
Учебное пособие: Условия прохождения государственной службы в органах внутренних дел
Сочинение Про Князя Гвидона
Реферат по теме Проблема ценностных ориентаций студенческой молодежи
Контрольная работа по теме Правовая охрана и защита прав на тайну усыновления
Курсовая работа по теме Алгоритмизация задач и САПР систем электроснабжения
Контрольная работа по теме Психолого-типологические подходы к комплектации команды
Реферат по теме Концепция сознания вне основного вопроса философии
Курсовая работа по теме Невротические внутриличностные конфликты
Список литературы по предмету: "бизнес-планирование"
Реферат: Булевые операции
Контрольное Сочинение 6 Класс
Реферат по теме История принтеров
Технико Экономическое Обоснование Завода
Курсовая работа по теме Класс двоичного файла, производный от fstream
Сестринский Уход При Шизофрении Реферат
Курсовая работа по теме Методы выделения и анализа кумаринов в лекарственное растительное сырьё
Реферат по теме Страхование автогражданской ответственности
Реферат по теме Русская свободная печать на Западе в 1960–1970-е годы
Реферат: Проект салона красоты по предоставлению парикмахерских и маникюрных услуг. Скачать бесплатно и без регистрации
Курсовая работа по теме Судебная власть РФ
Дипломная работа: Исторические экскурсы в курсе алгебры 7 класса как средство развития познавательного интереса
Образ Иудушки Головлева Сочинение
Реферат Классификация Паразитов
Лекция по теме Психология труда: психические состояния человека в труде
Реферат: Основы научных исследований 3
Реферат: О становлении и этапах развития валютного рынка Вьетнама
Реферат по теме The land down under
Курсовая работа: Новый Уголовно-процессуальный Кодекс РФ - противоречия и пробелы
Размер Полей В Ворде Для Реферата
Дневник По Производственной Практике По Бухгалтерскому Учету
Реферат: Устройство ПК 3
Лыжный Спорт Перспективы Развития Реферат По Физкультуре
Реферат: М. А. Боровинская Творческие задания по биологии
Реферат На Тему Анестезия При Врожденных Пороках Сердца
Реферат Это Определение Кратко
Реферат: Electric Cars Essay Research Paper Potential Environmental
Курсовые Разницы По Отгрузке
Курсовая работа по теме Воспитательные возможности православия на примере учебного предмета 'Основы православной культуры'
Дипломная Работа На Тему Развитие Мотивационной Составляющей Учебной Математической Деятельности Школьников
Реферат: The Great War Essay Research Paper The
Реферат по теме Понятие и способы осуществления гражданских прав
Дипломная работа по теме Стратегия ПАММ-инвестирования
Реферат: Учет и аудит основных средств 2
Мен Білетін Әпке Тақырыбы Бойынша Эссе Жазыңыздар
Курсовая работа: Совершенствование механизма управления стрессом
Реферат: Analysis Of Letter From Birm
Эссе На Тему Ковид
Дипломная работа по теме Исследование психотерапии и психопрофилактики невротических расстройств у детей
Россия В Первой Мировой Войне Курсовая
Миграция Реферат Қазақша
Курсовая работа по теме Сущность и значение стимулирования сбыта в системе продвижения товаров и услуг
Дипломная работа по теме Реализация и аттестация информационной системы
Мои Мечты О Будущем Сочинение
Реферат по теме Доказательство презумпции невиновности
Курсовая работа по теме Правоотношение: понятие, признаки, категории
Сочинение Про Коллекцию На Английском 5 Класс
Нужно Ли Оглавление В Реферате
Торговая И Транспортная Функция Государственного Снабжения Курсовая
Информационные Услуги В Медицине Реферат
Сочинение Про 3 Богатырев
Реферат по теме Принципы работы глобальной сети
Плюсы И Минусы Технического Прогресса Эссе
Эссе по теме Необходимость обеспечения независимости НБКР
Реферат Купли Продажи
Яндекс Весна Рефераты
Сочинение По Русскому Языку Гвэ
Реферат: Транспортный комплекс России
Сочинение Моя Подруга С Использованием Фразеологизмов
Реферат: Великие географические открытия и их роль в развитии экономики европейских стран
Реферат по теме Проектирование технологического процесса изготовления детали "Пробка"













































































