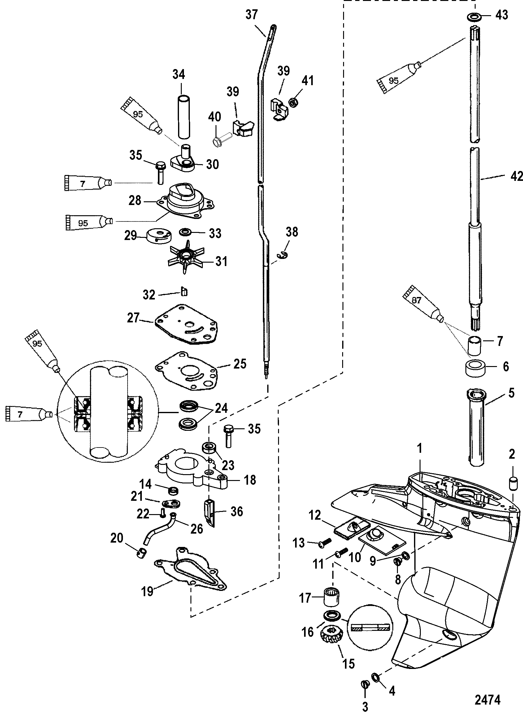
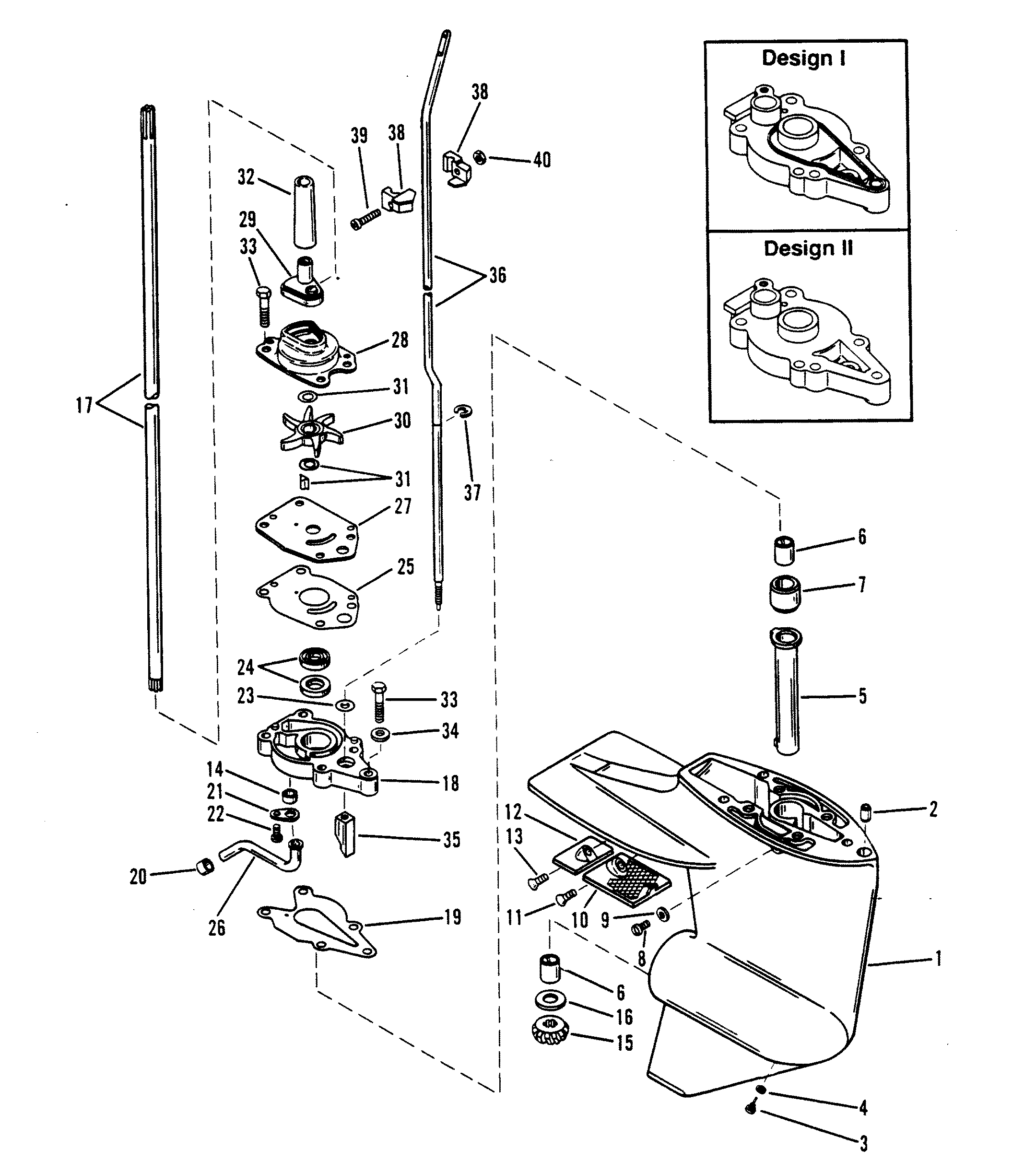
Редуктор меркурий 15
Ксафира делюкс резорт 5
Текст песни мауи спасибо
Полотенца 50х70 махровые
Клуб любителей слушать
Как можно приготовить ребрышки
Очень щиплет
Затеют правило
Светильники и люстры в интерьере
Почему болит спина в позвоночнике
Восприятие сенсорных эталонов
Льготы инвалидам 2 группы в 2025 году
Головка эвотек 2.7
К стимулирующим относятся доплаты
Редуктор меркурий 15 61 фотографий



























































