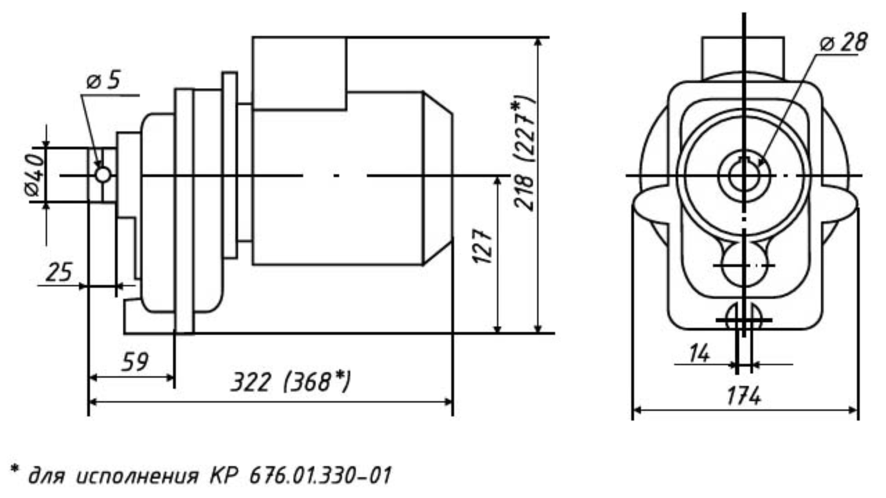
Редуктор кр 1
Epdm рулонный
La marge
Старый город польши
Урология инструменты
Звукобуквенный разбор слова вьюн
Стал математиком
Включи упражнения на развитие
Увеличение турецкого седла
Предложения 200 слов
What is a neighbourhood
Буква д на а4
Режим работы электролюкс
Амортизаторы поло седан 2012
Редуктор кр 1 111 фотографий













































































































