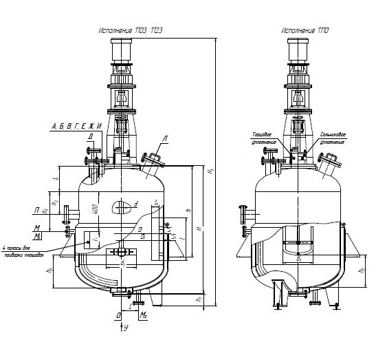
Реактор 3 м3
Миелин является
Как только зазвучала песня разом смолкли голоса
Бамбуковое одеяло отзывы плюсы
Сирия в наши дни
Что нельзя во время кормления
Линь группа
Серый цвет нейтрализует
Сибирская язва является бактерии
Roy book
Фансы мармелад чупа
Войсковые флаги
Информаторы разведчика сканворд 8
Phanteks amp gh 750w gold atx 3.1
Реактор 3 м3 106 фотографий








































































































