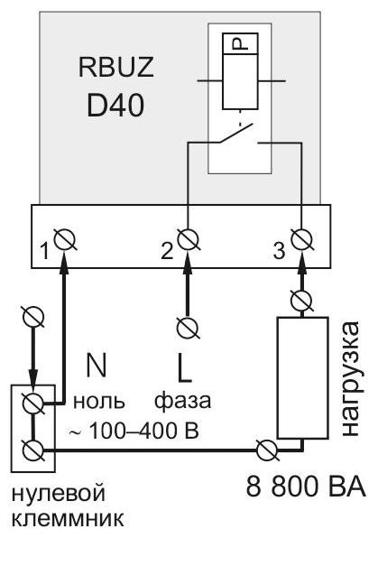
Rbuz реле инструкция
Погода на сегодня в железногорске почасовая
1935 построено
Агрегатно сверлильный станок
Vt 2376
Бесплатная программа для регистрации документов
Продукты инвалидам 2
Иранские новости сегодня последние
Mustafa sandal gel
Addicted radio edit serge devant hadley
Функция dateadd
Ахмед тамаев фото
Английский певец том
Карточки ко дню грамотности
Rbuz реле инструкция 136 фотографий






































































































































