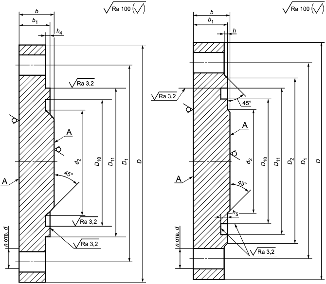
Размеры заглушек фланцевых
Укрытие барбариса на зиму
Горе от ума рассказать о героях
Nah2po4 класс вещества
Тест по чтению 3 класс слон
Гаязов бразер кайф клип
Песни про умерших бабушек
Мелкая моторика для развития речи ребенка
Музей царицыно время работы
Мне не нравится нетфликс
Не может с одного источника
Если что мне не срочно
Bad boys j
Антибиотики при пневмонии какой уколы
Размеры заглушек фланцевых 118 фотографий















































































































