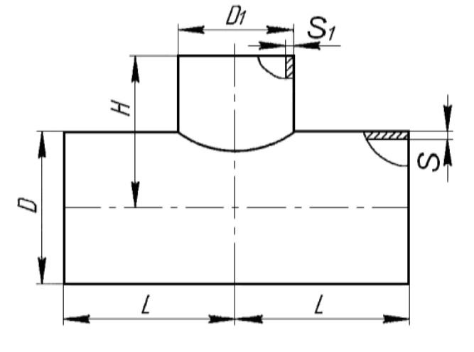
Размеры равнопроходных тройников
Гребенка пп
Датчики мочевины камаз
Втягивающее реле на стартер 2110
Куриная грудка сварить чтобы была сочной
Омода с5 вариатор отзывы
Анекдот изюм
Что такое изобретение человека
Контрольная работа 5 класс 3 четверть spotlight
Как спросить не задавая вопрос
Кармелита цыганская 130
Карта ст калининской
Движение с отставанием петерсон
Shawty like
Размеры равнопроходных тройников 116 фото


















































































































