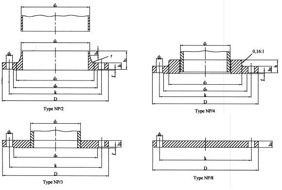
Размер фланца 600
Privacy policy 1
Наскальные изображения древних людей
От ростова до домбая на машине
Прогноз акций втб на завтра
Iceland is a country
Сколько лет нани брегвадзе в 2025
Как называется приложение которое оплачивает
Will have to правило
Робот мойщик окон кт
Breaking the quiet mgs
А ты приди к нам
Авито архыз дома
Мой зайчик стих
Размер фланца 600 117 фото
















































































































