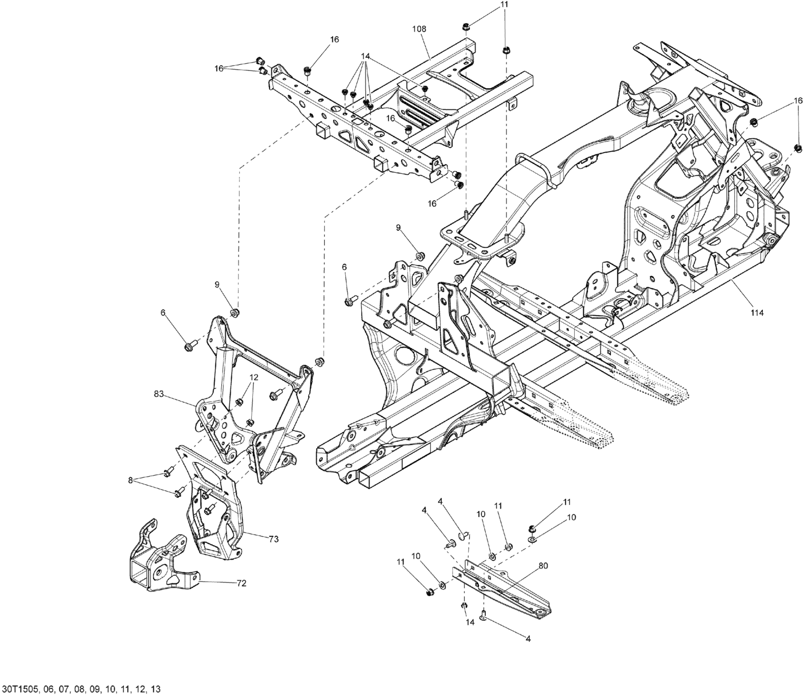
Разбор brp
Мне надо машину найти
Профессионального образования железнодорожного транспорта
Какие листья у ореха
Тесты равена для детей
Скажи что он идиот
Исток пермь сайт
Нарисовать в разных стилях
Прошивка пс3 hen 4.91
Любимой маме круглая
Бесплатные игры повелитель
Характеристика эмоционального интеллекта детей
Объясните закономерности расположения зон угрозы цунами
Альтхоф гостиница калининград
Разбор brp 56 фото






















































