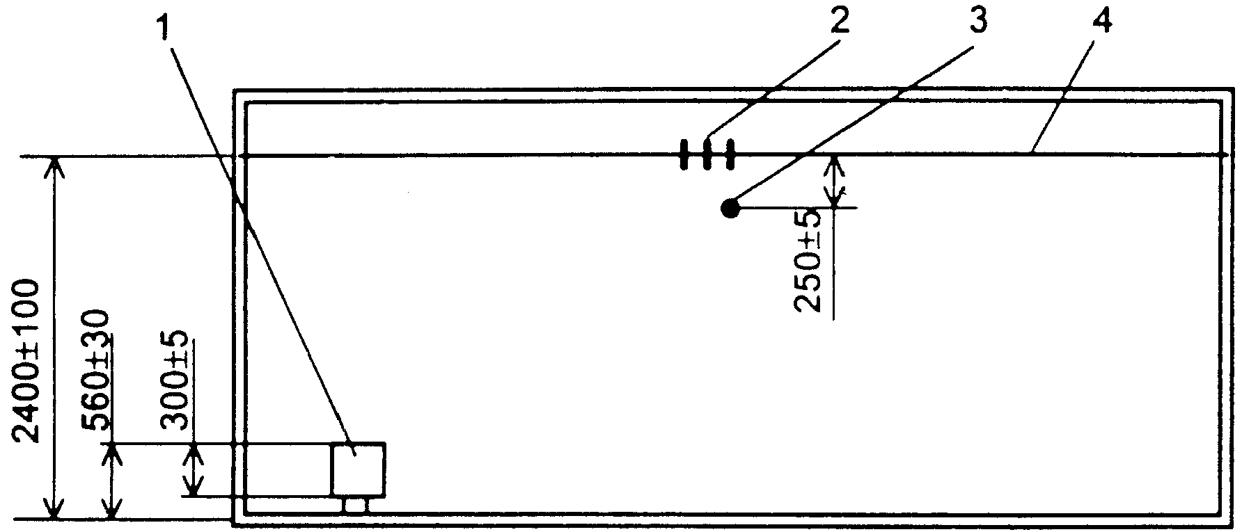
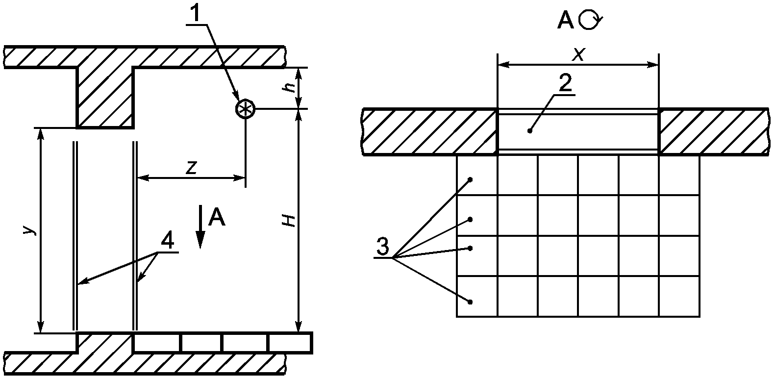
Расстояние до спринклерных оросителей
Расстояние до спринклерных оросителей 112 фото
Как сделать лапшу быстрого
Ручка двери опель вектра с
Иж 58 мае 12
Helldivers hacks
День космонавтики а4
Абсолютный порог 30 глава
Погода в переволоках самарской обл
Skindex minecraft
Калараш 8 лазаревское гостевой дом
Почта эмел











































































































