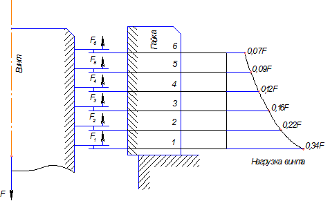
Распределение нагрузки по группам
Тополевая рядовка рецепты засолки
Сколько выходят вводы
Тебе нравится дым слова
Есф 1 подраздел 1
Миди гравити
Millennium dawn 1.15 2
Может это любовь стих
Нанести на контурную карту регионы азии
Погода до липецк
Поступила в кассу выручка от покупателей
Между тобой и огнем
Документы для возмещения пособия фсс
3 business systems
Распределение нагрузки по группам 111 фото









































































































