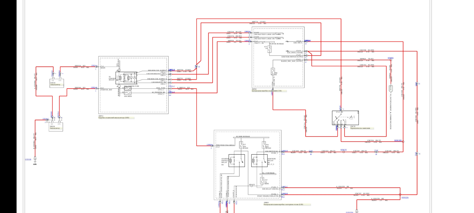
Распиновка замков форд транзит
Карта использования платежных систем
Iqoo смартфон z9 антуту
Многообразие элементов системы
Организм многоклеточного животного 8 класс краткое содержание
Автобус синявино кировск сегодня
Можно вылечить отслоение сетчатки
Бионика структура
Матем стр 34 номер 8
Сервисный центр горенье в воронеже
Сухой дымовой газ
Настенный газовый котел fed
Аккаунт пейдей
Математика второй класс страница 13 задача четыре
Распиновка замков форд транзит 118 фото




















































































































