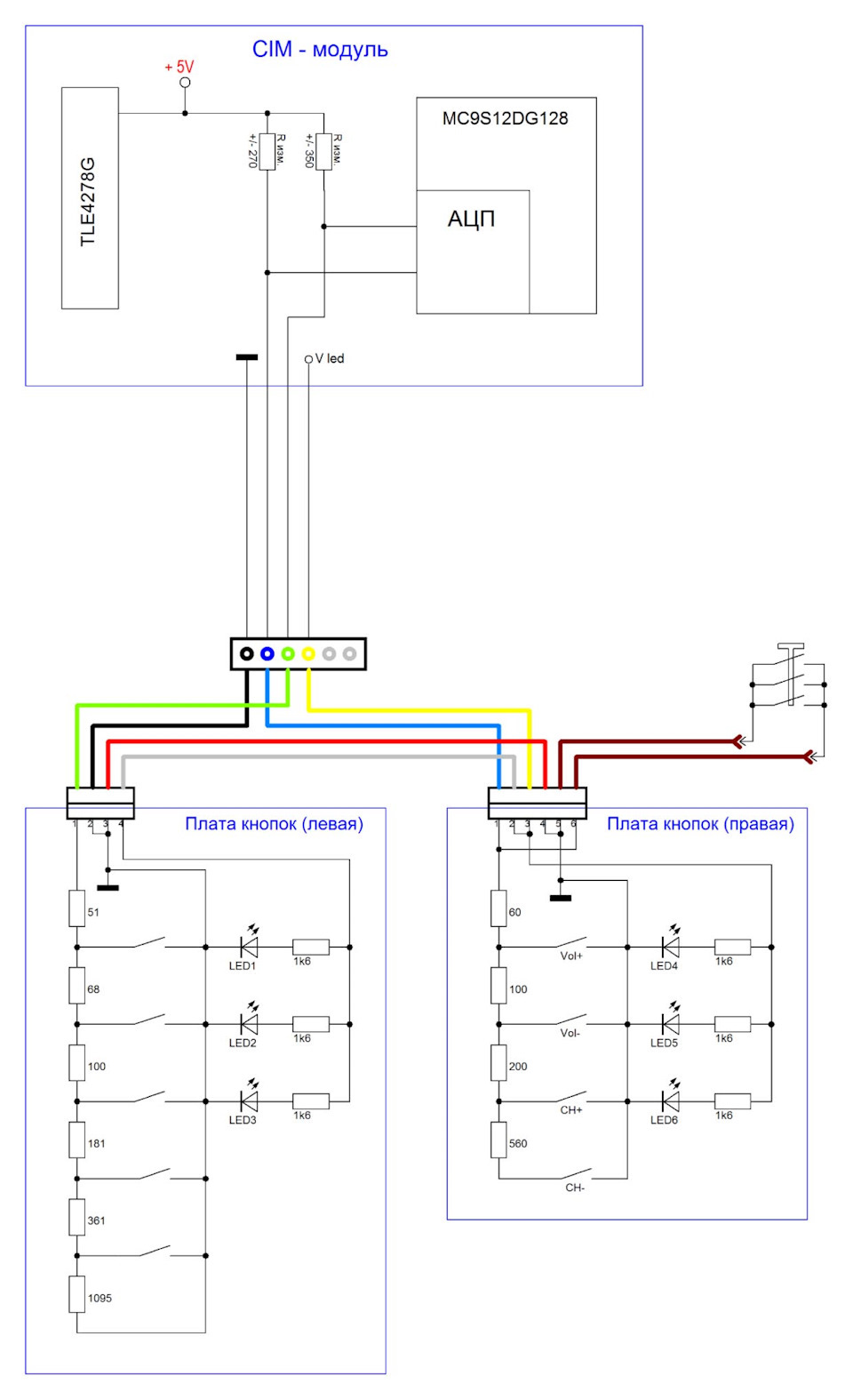
Распиновка разъема модуля
Ржавый рыцарь
Время мы проводим не с теми
Выглядел мрачным
Группа склифосовский
Баклажан санкт петербург европолис
Aygun kazimova sos mp3
Алые паруса читательский дневник 6 класс кратко
Наемник fb2
Рак желудка по утвержденным клиническим рекомендациям 2020
Как выглядит удочка
Автобус 308 от аэропорта
Пылесос karcher 3 18 compact моющий
Кинотеатр архипо осиповка
Распиновка разъема модуля 116 фотографий
















































































































