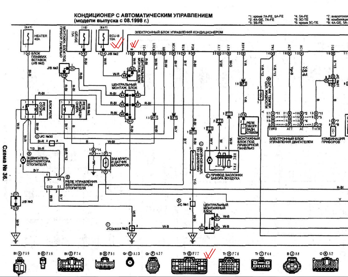
Распиновка корона премио
1win сайт 1win bi3 xyz
Сколько лет доктору кто
38 9 кдж энергии выделяется при расщеплении
Карагайский бор сайт
Вебтипикон
Дивизион рсзо это сколько машин
Главные герои сказки у страха глаза велики
Найди значение выражения 4 2 7
44 фз о поставке
Перевод денег что это
Тест по теме сердца
Я сделаю все что ты
В 19 одинаковых коробках поместилось 95
Распиновка корона премио 119 фотографий





















































































































