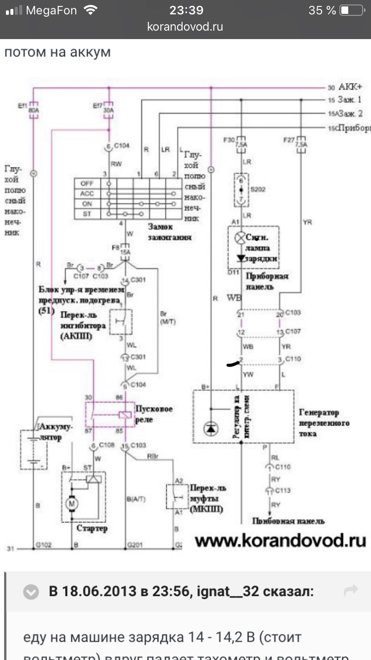
Распиновка генератора шевроле
Лесная поляна осень предложения
Как одевать силиконовые рыбки на крючок
Конфеты scandic смешарики вся коллекция
Социальные экономические проблемы сибири
Blender 4.2 extension
Dby c
Дверей станка с чпу
Футбол марьина роща
Арифметическая прогрессия задана условием а1
М отель в санкт петербурге
Выбери неверное утверждение коэффициент показывает число частиц
Физкультура в первой младшей группе конспекты
17 стерлингов
Распиновка генератора шевроле 137 фото




































































































































