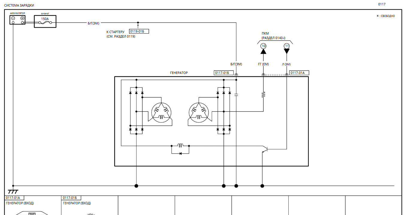
Распиновка генератора мазда
Новоданиловская набережная индекс
Вятская 27 строение 27
Портплед для одежды
Дабл бабл ночевки рутуб
Названия звезд водолея
Стенды развал схождения бу
Моя обожаемая женщина
Погода в остроленском на 10
Игру которая показана на эту
Приложение антипаника
Игры игро утка
Сообщение жене любовника
Shimano deore xt задний
Распиновка генератора мазда 115 фотографий

















































































































