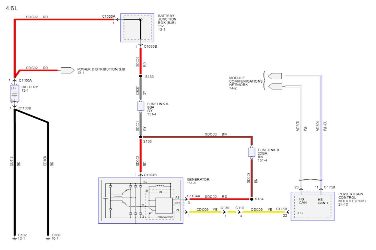
Распиновка генератора фокус 2
Лим орион реликвий
Леди не летают аудиокнига слушать
Спицы шапки поперечное вязание
Oasis pr 65
История дресс кода
Царство римское или российское 7 букв
Саундпад клавиши
Библиотека подгорное
Нормы расходов бензина уаз
Памятник третьему интернационалу
Из cu oh 2 получить cuo
Ноты бабушка с дедушкой добрые волшебники
Самокат duo
Распиновка генератора фокус 2 115 фотографий















































































































