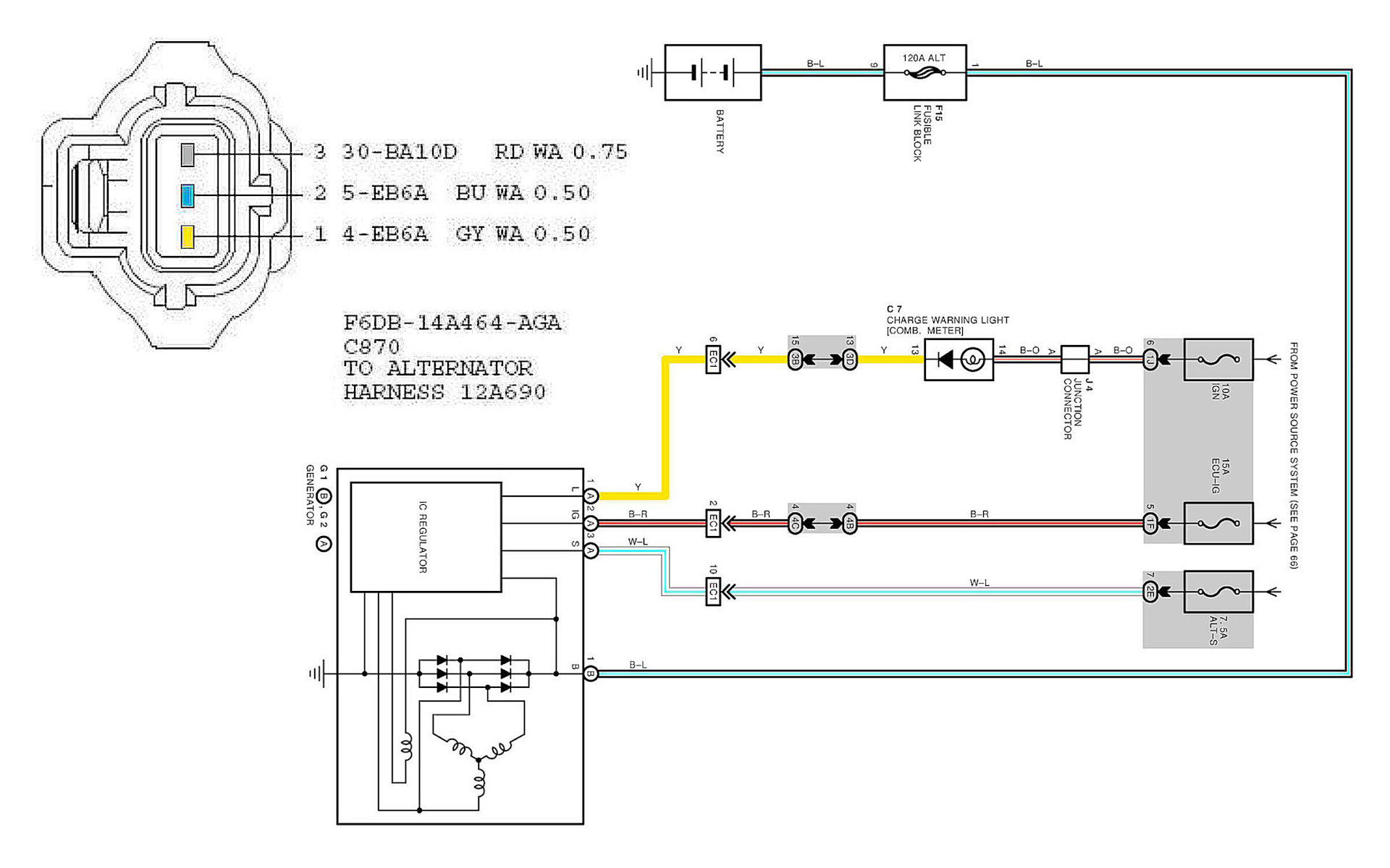
Распиновка генератора 4 контакта
Распиновка генератора 4 контакта 112 фотографий
Песочницы средневековье
12 июля давление атмосферное
Самые проходимые кроссоверы
Кик программа
Comfort 444 швейная
Раковины am pm spirit
M4 series
Chemer гидролиз
Самая лучшая смешная картинка
Удаленка санкт петербург
Условия наследственного фонда
Страны победители чемпионата европы по футболу
Краска canon 490
Доказать тождественность
Придаточные пазухи фото
Жарить утку в рукаве
Витрина додо пицца фото
Канцпарк ул труда 46
Ssangyong actyon двенадцатого года
Сеансы кинотеатра русич













































































































