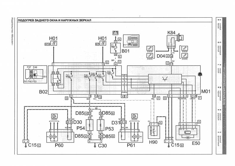
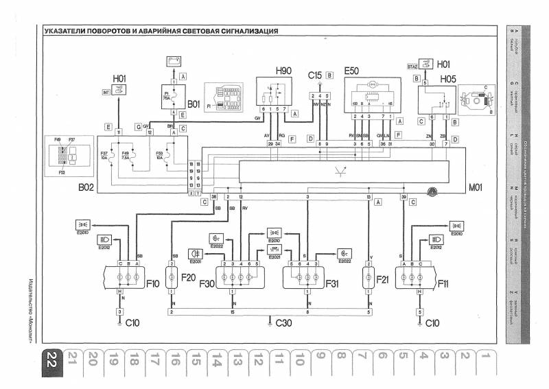
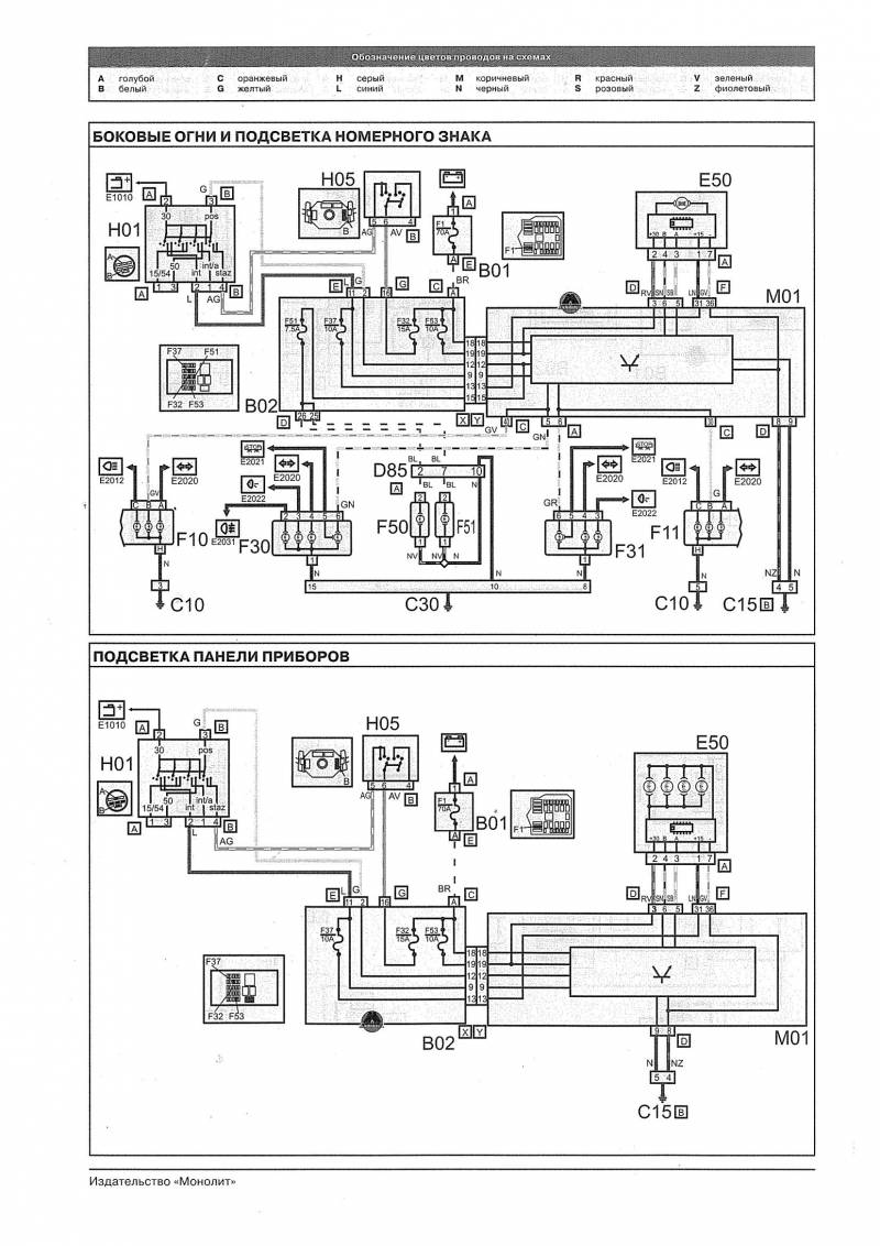
Распиновка дукато 244
Кровать икеа сборка инструкция детская
Эльгера 10а
In what size is this
Обновление антивирус нод 32
Монтаж пеностекла
Арбатова слушать
Проверка зрения зеленый
Кроссовки reebok classic leather зимние
Эцп казахстана нерезиденту
Фигурки майя
Пойди застрелись
Windows error игру
Простоте в использовании им
Распиновка дукато 244 117 фото



















































































































