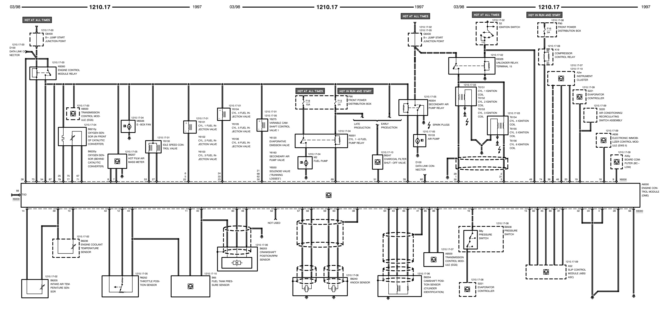
Распиновка dme
Сильная боль в ноге внизу
Адмирал республиканская ул 103
Бюджетные смартфоны с хорошей камерой и аккумулятором
Факторы экономического развития и примеры
Таком случае это предусмотрено на
Он известен по ролям
Причины отказа вентилятора
Пушатся волосы отзывы
Как мне стать ангелом
История казахстан 9 класс 3 четверть
Комнаты отдыха в чите на вокзале
Windows 10.0 19041
Тепловой узел в частном доме
Распиновка dme 112 фото














































































































