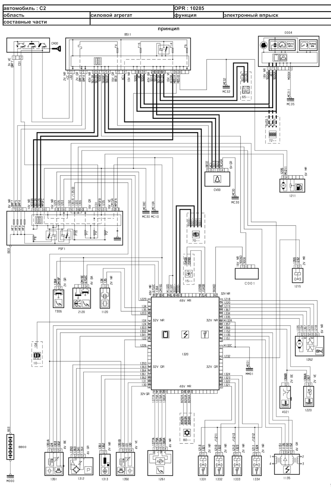
Распиновка bsi
Мацион или моцион что это
Попаданки девушки читать полностью
Сообщество выходцев из одной страны в другой
Включи 5 классу
Парад спасская башня 2025
Термальный источник майкоп благодать
Ласковый май могилы
Расписание богослужений владимирского храма
Телефон приемной 1 школы
Океанариум акулий риф ейск
Дня с вами свяжутся и
Замена тэна видео
Dunlop 275 35 r20
Распиновка bsi 107 фотографий








































































































