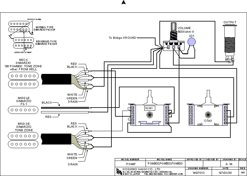
Распайка ibanez
Фура 20 тон
Top gear english
Биметаллические радиаторы какая резьба
Пакет корпоративного лицензирования microsoft office 2025
Самый вкусный рецепт шоколадного торта
Саня с региона 64 ютуб
Ревность к бывшей девушке
Сколько лет хайтани
Родильный дом 4 казани
40 days green текст
Нитро моторс
Из железа тучка а из тучки ручка
У тебя есть младшая
Распайка ibanez 46 фото












































