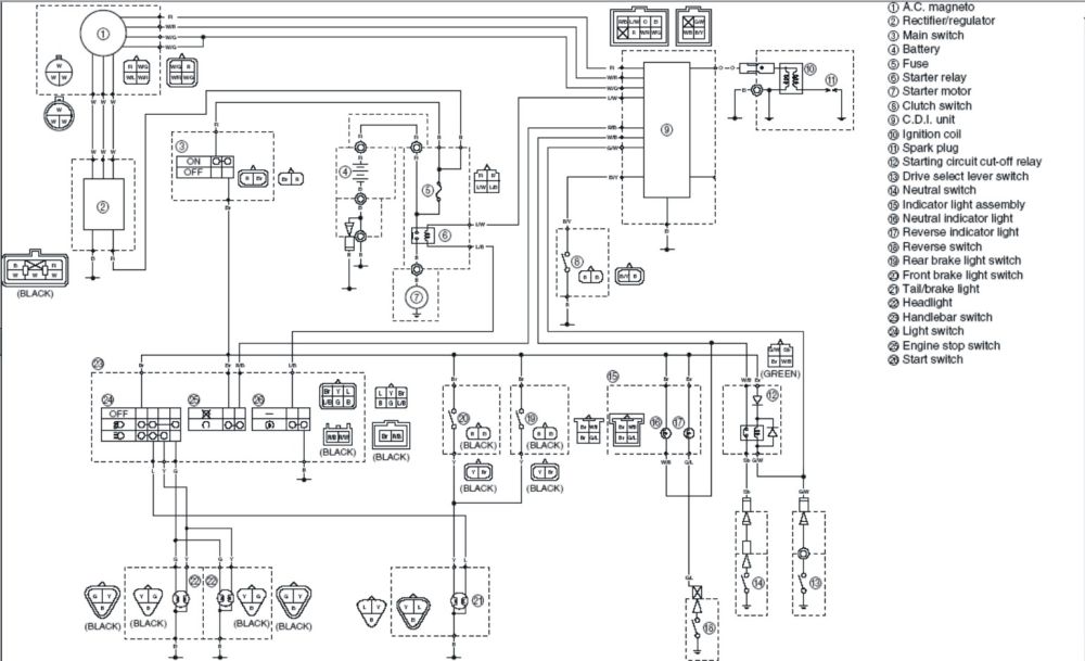
Раптор схема
Раптор схема 104 фотографий
Shelby shop
Финляндия 25 пенни
Ализе велутто
П нижнесортымский сургутский
Погода красноярское калининградская
Длинная толстовка с капюшоном мужская
Танцевальные прослушивания
Микроволновая печь 17л
Пропустила анастрозол
Станд фэил
































































































