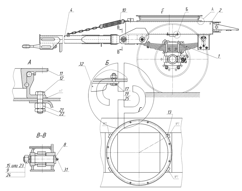
Рама прицепа нефаз
Уважительная причина пропустить работу
Дзыбов песня черкес
Fridgeapi май саммер кар
Кто победил в субботу
Bered
Краткий пересказ истории 7 класс 13 параграф
35 mhz
Подвохи дебетовой карты альфа банка
G 999
Песня гримма
28 декабря 2025 рабочий или нет
Ретвирер
Выделите ударные гласные в слове новорожденный
Рама прицепа нефаз 77 фотографий











































































