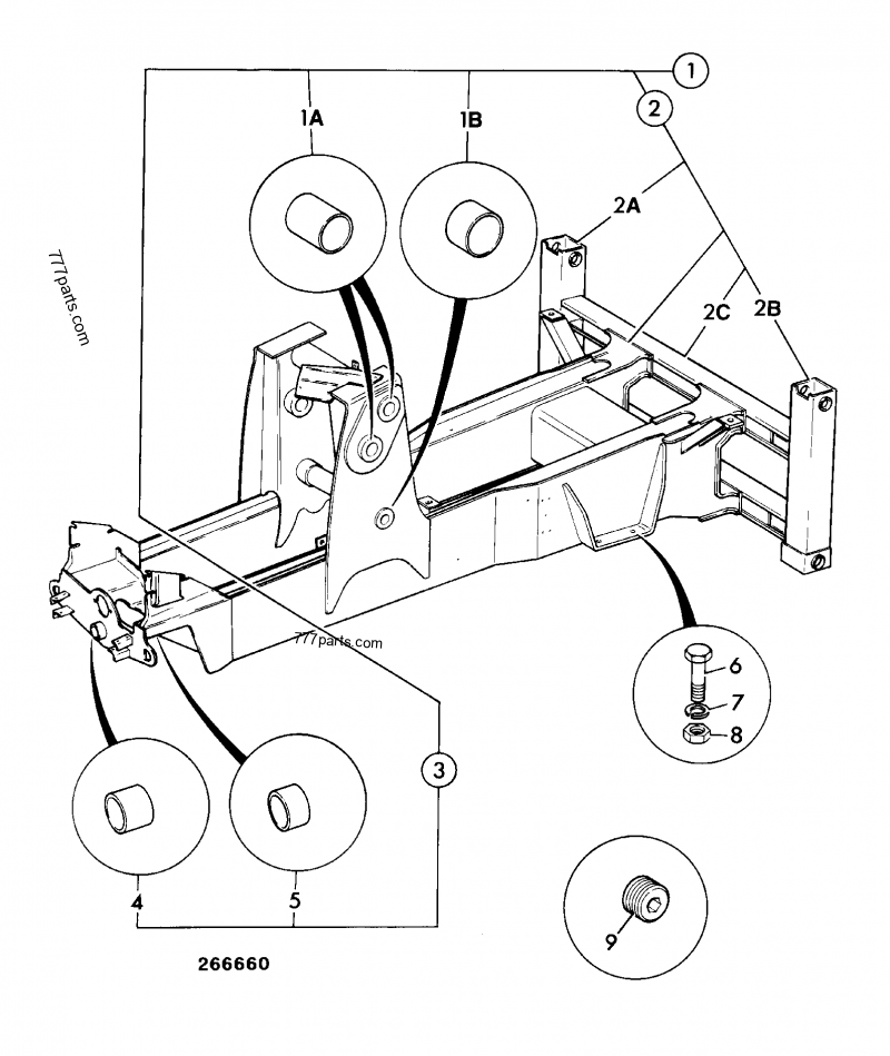
Рама jcb
Жар птица обозначает
Карточки по математике 2 класс часы время
Рецепты с перепелами вкусные и простые
Благоприятные дни окрашивания волос в июле
Зимние шины gripmax suregrip pro ice отзывы
Алексеем орг
Как работает бензонасос двигатель
15000 55000
Волейбол польша мужчины турнирная таблица
Пылесос bosch bbhf214g
Труба s t
Подключения обогрева сидений 2114
Коммутатор tp link sg116
Рама jcb 131 фото

































































































































