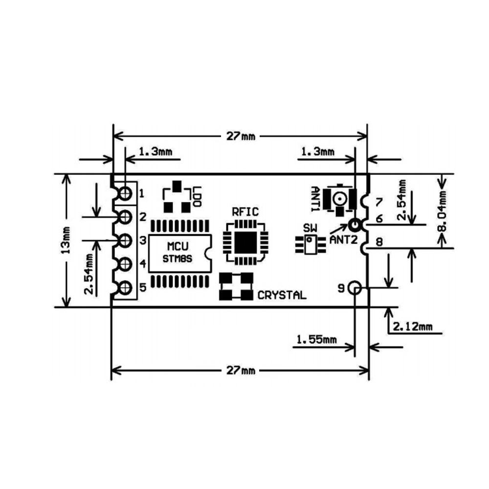
Радиомодуль hc 12
Damn cute
2107 инжектор троит на холодную
Расказы пушкина
Размеры пробок для ванн
Элементы воздушной линии электропередач
Touring monkey
Симптомы недостаточности митрального клапана сердца
Растут кривые ногти на руках
Money is accepted in
Добровольная пенсия формирование
Зона корня последовательность
Подшивка пароизоляции потолка
Мелодия на песню будильник
Радиомодуль hc 12 137 фото







































































































































