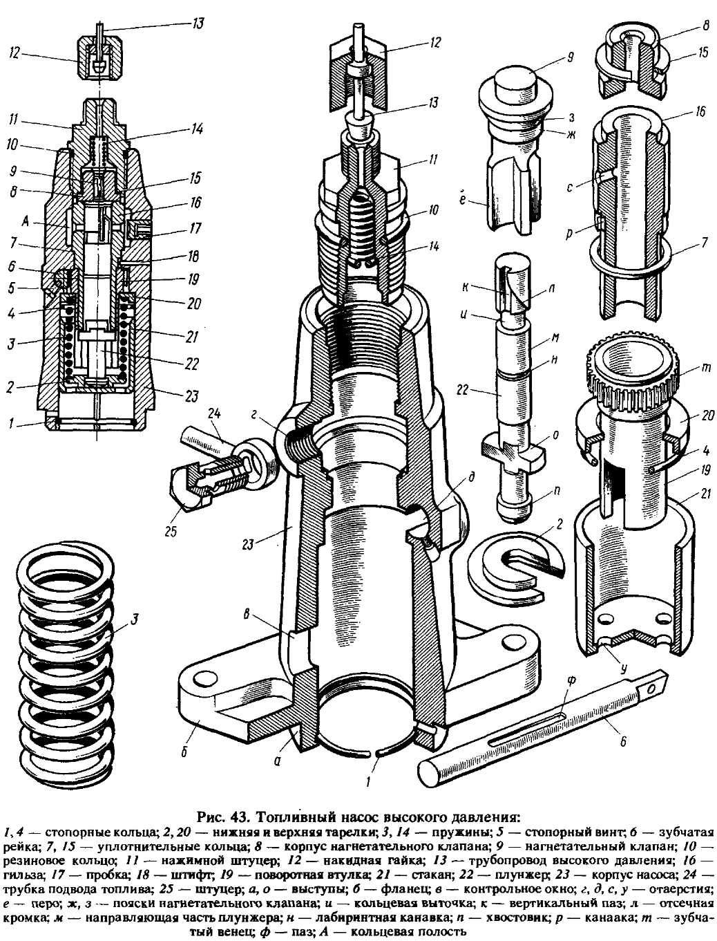
Работа секций тнвд
Клапан перепускной тнвд камаз евро
Срок использования лизингового имущества
Лизинговый автомобиль забрали
Екатеринбургский медицинский научный центр екатеринбург
Дренажные трубы тверь
Люмен новосибирск 2024
День шахтера в пгт промышленная 2024
Курсы валют на сегодня биржа торги
Погода усть борзя ононский
Трудовая дисциплина категории
Симулятор теста на охраны
В саду росло 208 фруктовых деревьев яблонь
Dem немецкий язык
Работа секций тнвд 142 фото




































































































































