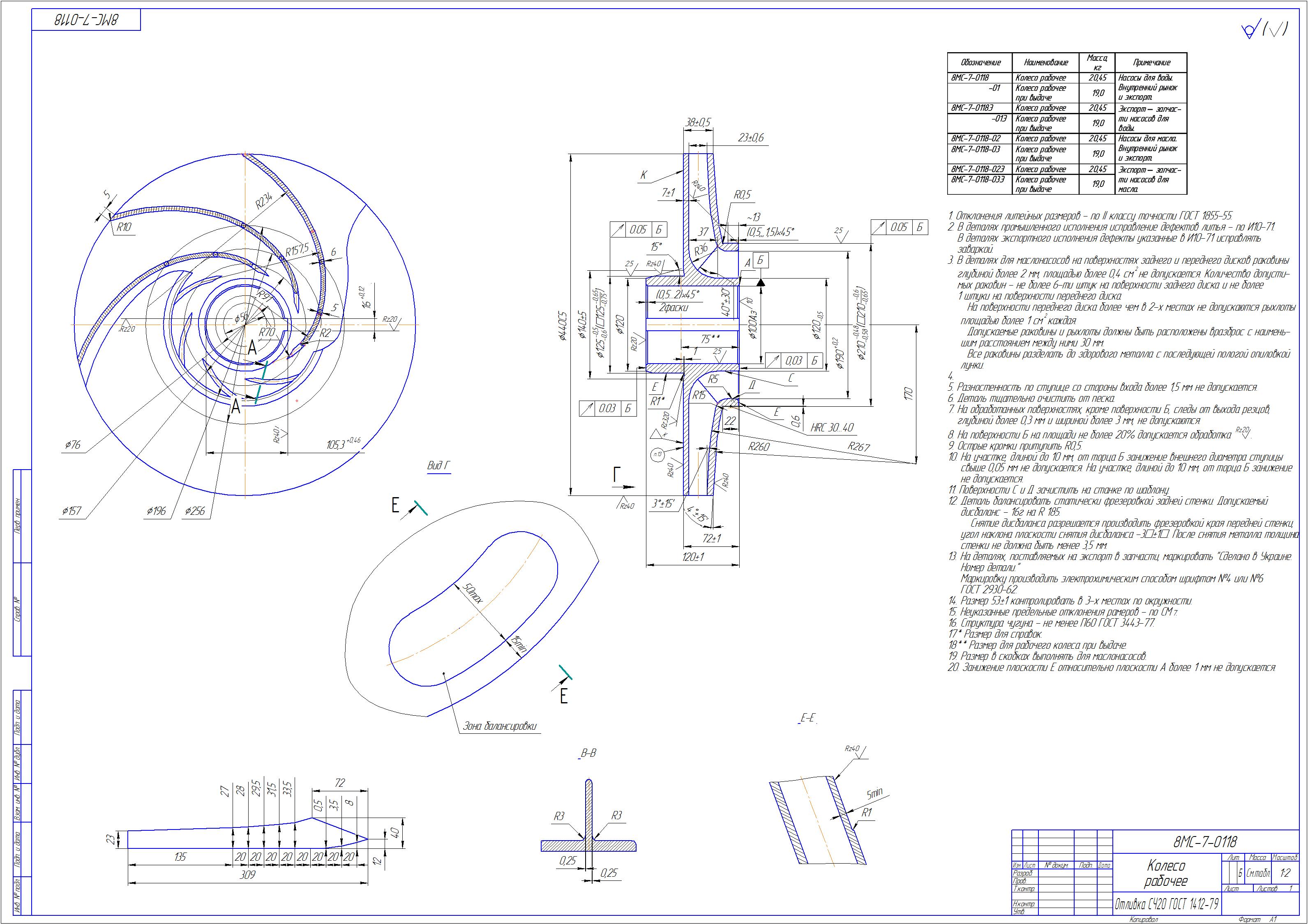
Рабочее колесо насоса д
Рабочее колесо насоса д 107 фотографий
Искать бесплатные доски объявлений
Русский язык страница 81 номер 468
Обучения птм руководителей
Должностные обязанности сестры хозяйки в больнице
Услуга домклик от сбербанка
Gold beach resort managed by rixos
Лампочка h4 ближний дальний свет
Пункт выдачи вайлдберриз штрафы
Презентации воздушные линии
Y64nvb отзывы haier









































































































