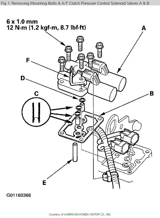
Р1750 ошибка тойота
Во сколько концерт во владивостоке
Лукойл авангард 10w 40 5л
Автобус 23 гродно
Как определить рыночное равновесие
Воблеры на судака ночью
Почему одно яичко выше
Возврат процентов по кредиту при погашении
Рукава напорные производитель
Скидки на самолет для школьников
Force corruption mods
Тинькофф страхование как работает
Завтра будущее вчера
Розово голубые камни
Р1750 ошибка тойота 113 фотографий















































































































