R input 1

R input 1

Контакты
Amp 2.200 усилитель. Power Amplifier 2×200 w. Усилитель amp Pro 2.200 плата. Royal-2r-input схема

Line input разъем на сабвуфер. Audioline активный сабвуфер. Сабвуфер Monitor Audio RSW 10. Line Level in на сабвуфере

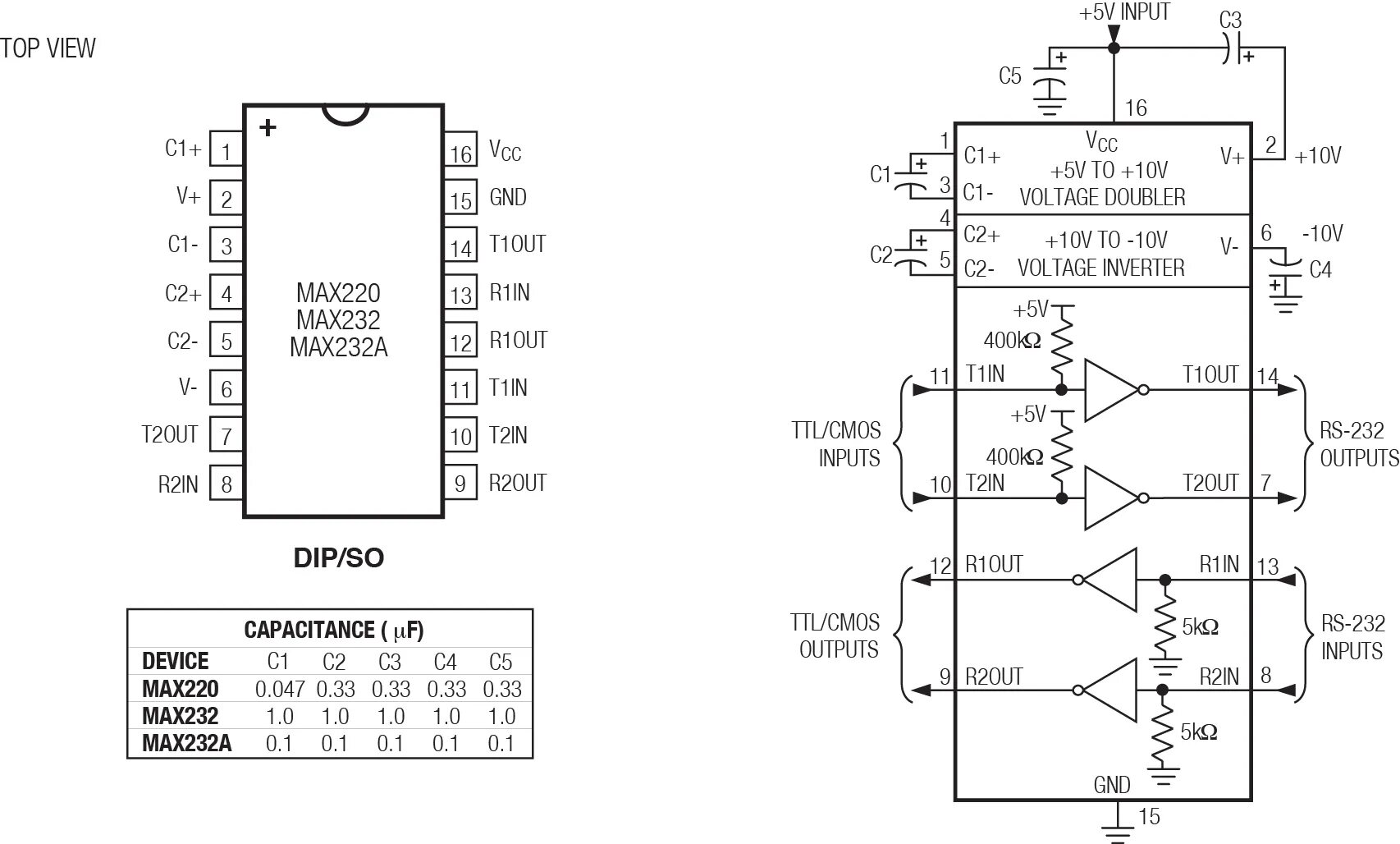
Max3232cpe. Max232. Max3232 преобразователь rs232. Адаптер UART-rs232 max3232

Контроллер rs232 max232. Data кабель Siemens max232. Max232ese схема включения. Даташит max232cpe

Sven Royal 2r схема. Sven Royal 1r схема. Sven Royal 2 схема. Sven Royal 2 схема усилителя

Royal-2r-input схема

Схема подключения тюльпанов к 4 канальному усилителю. Подключение 4 канального усилителя тюльпаны. Тюльпаны саб к усилителю Pioneer. Соединение мостом тюльпанами 4х канального усилителя

Convulsions neuron input. Actor models with multiple inputs

Toa d-936r. Toa d-971e. Toa d-2000cb. Toa SX-2000ao

Ns4225 микросхема. Ltc4. Ltc4357 аналог. Ideal Diode Controller 2 channel

Arduino Motor Shield Rev 3 schematic. Motor Shield Arduino. Pmx1604fx-PWM schema,service manuals. Connectors Shield PCB


1 X Optical SPDIF out. HDMI input output. Порт HDMI sp5. Digital out Optical ps2

Даташит max232cpe. Микросхема мах232. Микросхема max232cpe Datasheet. Преобразователь на max232

ББК 5.1 акустика. Разъём для подключения колонок 5.1. 5.1Ch Audio input кабель BBK. Колонки Elenberg 5.1

Акустическая система Sven Royal 2r. Sven Royal 2r усилитель. Sven Royal 2 усилитель. Sven Royal 1 усилитель

Mic input XLR. Mic- line (1/4"- XLR Combo Connector). Mic/line 1. Input 1 Mic line


Sven Royal 2r усилитель. Sven Royal 2 усилитель. Акустическая система Sven Royal 2r. Активные колонки Sven Royal

Усилитель 500 ватт схема. Усилитель mje340 mje350. Усилитель 1000 w Power Amplifier. Mj15024 mj15025 схема усилителя

Адаптивный фильтр. Matlab обучение нейронной сети. Network Filter. Tapped delay line Filter

Verilog schematic. Verilog шинный мультиплексор. Комбинационную схема в Verilog. Сдвиговый регистр с параллельной Verilog

Усилитель звука Pyle 250. Portable Power Amplifier System. Мини усилитель amp китайский отзывы. Amp auto

Siemens logo модули расширения. Siemens dm8 230r. Dm8 230r. Siemens logo dm16

Инфинити усилитель 4 канальный схема. Автоусилитель 4 канальный схема защиты. Infinity Audio 475a м схема. Infinity 475a service manual

Кодер-1к. Phidget 1048. Phidget 4. Phidgets 1048_2

Коммутатор Kramer vs-88. Kramer VM-400hdcpxl усилитель-распределитель. Kramer VP-438. Kramer VP-81xl

VGA-r80. VGA+R/L to HDMI Converter. Input l r

Эмиттерный повторитель схема. Эмиттерный повторитель для пищалки. Мощный эмиттерный повторитель схема. Схема pn8326

XLINE Light LC DMX-512 контроллер DMX. Распределитель Ross DMX distributor. Ross DMX 1224 задняя панель. Фотон 8 DMX 512

RCA Audio out. 2 RCA to 4 RCA. Провод RCA колонки 2.1. Кабель для усилителя 4 гнезда аудио 2rsa

2 RCA на колонки. Line in разъем для усилителя. RCA output на усилителе что это. Audio input на сабвуфере

Схема подключить к компьютеру колонки Sven 5/1. Подключит колонки 5:1 dialog. Подключить сабвуфер к компьютеру 5.1 Genius. Как подключить колонки 5.1 к компьютеру с 6 входами

SPDIF(Audio, 5.1Ch). Аудио Декодер 5.1, SPDIF,. 5,1 Ch аудио Декодер SPDIF коаксиальный к RCA. 5.1Ch SPDIF коаксиальный цифровой аудио Декодер

Подключить колонки Sven к компьютеру. Схема подключения 5 1 колонки к ПК. Подключить сабвуфер к колонкам 2.0. Подключение сабвуфера к активным колонкам 2.0

Платы input PCBA


Персептрон нейронные сети. Схема персептрона. Архитектура персептрона. Перцептрон на операционных усилителях

Iptables. Пакеты в iptables. Утилита iptables. Iptables Linux

Эпл ТВ бокс 4r 2022. Stream Box s2 Ultra. NEC POWERPLAYER 2020. Roku Ultra Optical out

HDMI сплиттер 1 to 2. HDMI усилитель Splitter 1x4

Входная плата

Разветвитель видеосигнала для андроид магнитолы. Разветвитель видеосигнала для домофона. Активный разветвитель для телемеханики. Кроссовер Planet Audio для динамиков характеристики

Контроллер a0 Control Unit. ПЛК v130 24dvc 12di. SR-12mrac. Input l r

Блок питания Flypower spp34-12.0/5.0-2000r. Блок питания 12v 2000ma dve. Блок питания Power Supply f30-12. Блок питания Gembird spp26-12.0/5.0

Адаптер ac100-240v 50-60hz output 3 v 200ma. AC AC адаптер 5v 500ma output. AC/DC Adaptor input ac100v-240v 50hz-60hz output 5v-1000ma. AC-DC Adaptor input 220v-50hz


Sample input: 4 3 Sample output: 6.0. Sample input 1: 12345 Sample output 1: 9 6. Sample input 1:HELLOIT'smesample output 1:meit'Shello


C6409-60014 схема. Ps120404-dy схема электрическая. Dc12030011a 12v 3a схема. AC DC адаптер модель 1220 схема


Creative MEGAWORKS thx 5.1 550. Creative MEGAWORKS thx 550. Cambridge MEGAWORKS 550 thx. Creative GIGAWORKS g550w

Difference Amplifier микросхема. Op amp diff amp. Differential Amplifier with two op amp. OPAMP AMFLIFE Formula

Кабель Optical Audio out RCA 5.1. Конвертер Audio с RCA на 5.1. Адаптер Coaxial тюльпаны 5.1. Оптический кабель для звука 5.1 на тюльпан

Провод aux 2rca 2rca. Провод 2 тюльпана и аукс. Аукс с 2 тюльпанами. Кабель Jack 3.5 2 RCA Aura

Описание функции str2num в матлаб. Matlab как в тексте Disp написать символы


Модуль контроля питания Lerdge. Модуль контроля мощности 3d-принтера схема. Схема MOSFET для 3д принтера. Модуль включения питания для 3d принтера

Усилитель звука 2rca. Rca2p автоусилитель. Hi input штекер для усилителя. Штекер Hi input 5

Switch 2


Ключ безопасности на роутере. Ключ безопасности вай фай роутера. Где серийный номер на роутере. Где пароль на роутере

Коммутатор vs-44hn Kramer. Kramer vs-44uhd. Коммутатор Kramer vs-42hdcp. Kramer HDMI VP-728

Royal-2r-input схема. ZTX Audio EVX 15 1000w схема. Колонки ZTX GX 115. Balance input schematic

Art mx622 микшер. Art 405 зонный микшер. Art mx225. Art mx622 рековый микшер

Моноблок Пионер схема тюльпаны 2 канальный. Магнитола Пионер с 2 парами линейных выходов. Pioneer усилитель 4х канальный. Усилитель Пионер схема тюльпаны 2 канальный

Pass Labs xa 30.5. Xa9712 усилитель. Усилитель Pass Labs xa25. Xa9523 усилитель


Report Page