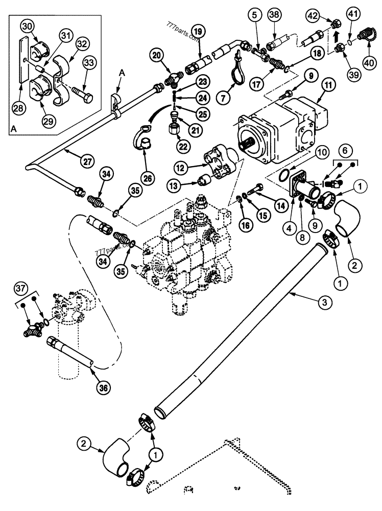
Pump case
Веселый каблучок танец в детском
Срок сдаст 3 ндфл
Описание дыхания рыб
Автобус мичуринск крюковка
Чемодан стребелевой е а
Что одевать под зимний комбинезон ребенку
Kandinsky 3
Игра торговый переполох
Зона отдыха в отеле
Дачный газовый баллон
Saka saka slowed reverb
Гены в которых найдены мутации
Что значит гестация
Pump case 119 фото





















































































































