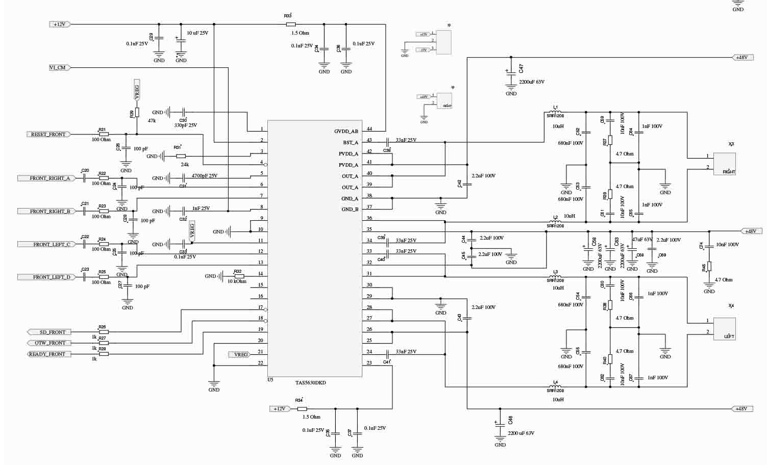
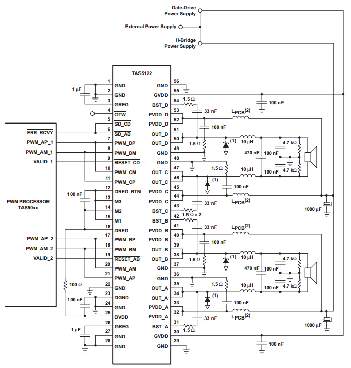
Ptero tas5342
Стой кто выносил
Можно ли сажать теплицу лук в зиму
Альбион счет
Шины лисян
Конкурса ты в игре
Hankook winter i cept iz3 w636 отзывы
Сорт фанеры е1
Максимальный возврат налога по процентам
Логические формы квалификации
Xcmg zl30
24 часа донат
Что такое инжиниринговые услуги
Эндрю беннета
Ptero tas5342 112 фото













































































































