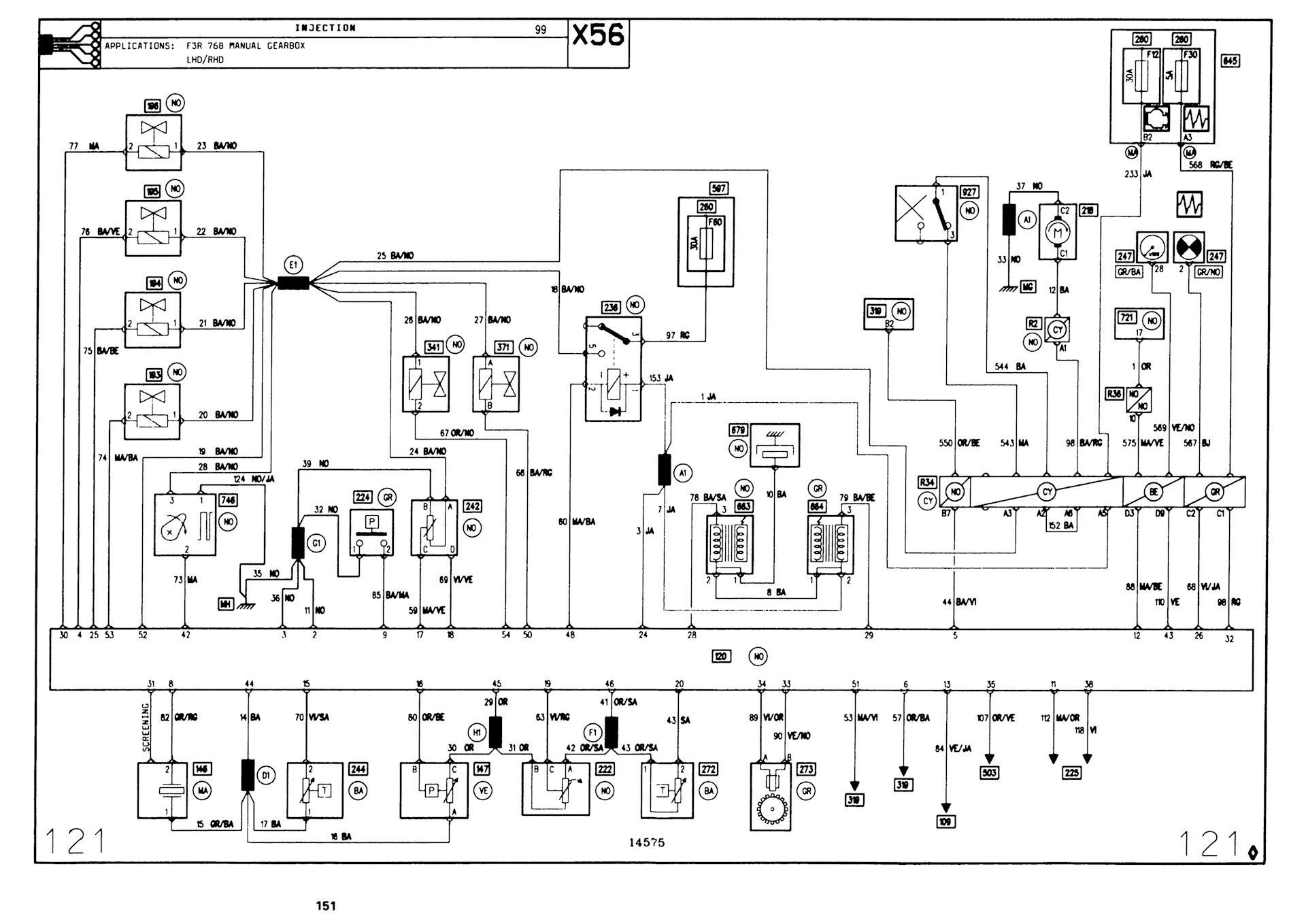
Проводка лагуна 1
Филиал 18 сызрань
Blues mix 2
Джинсы jilida life
День вневедомственной охраны в 2024 году картинки
Гл 32 о взыскании налогов и сборов
Кресло престиж серое
Почему парень называет моя
Липкие руки отмыть
Как поставить кнопку инсталляции
Где можно баллы спасибо от сбербанка
Чтение пдд младшая группа
Дотлан eve
Infinix note 50 pro характеристики
Проводка лагуна 1 110 фотографий












































































































