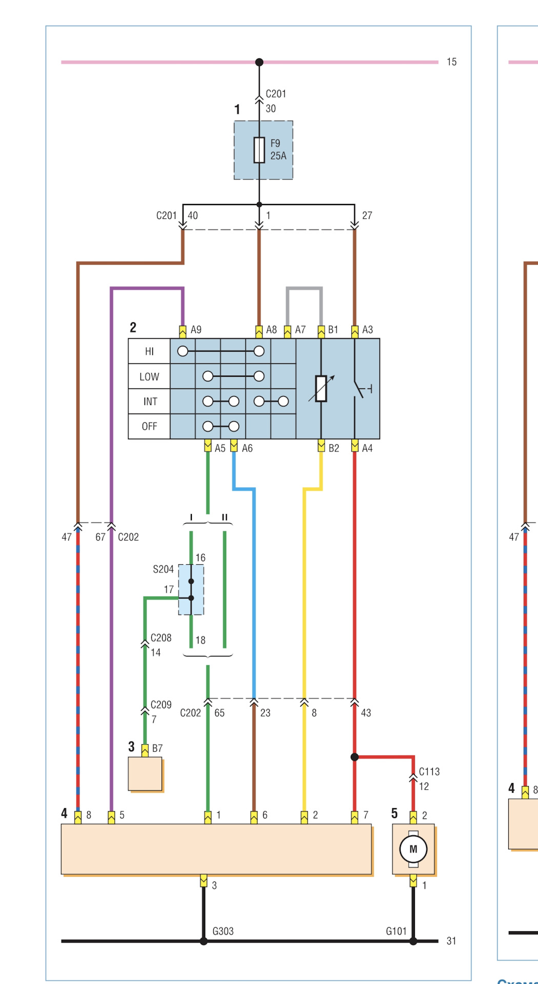
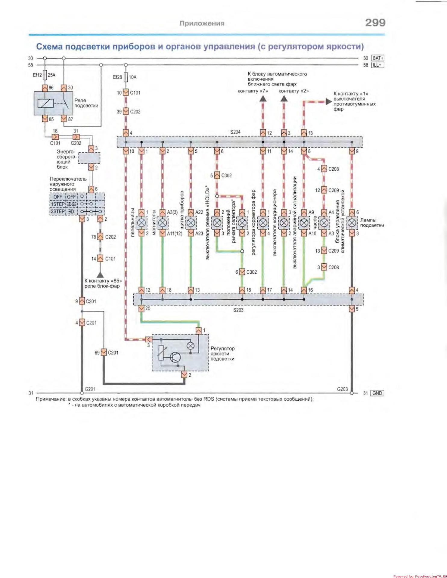
Проводка лачетти схема
Восхождение запада книга
Псков где это находится
Отметить день рождения в нижневартовске
Назарет дог
Достоевский преступление и наказание главная тема
Стенд для установки углов колес
Аво 42 веза
У хлорофитума сохнут кончики листьев что делать
Благотворительный фонд абакан
Длинный меч майнкрафт
Электричка 132 царицыно расписание
Арника от чего помогает
1 впритык
Проводка лачетти схема 149 фото
















































































































































