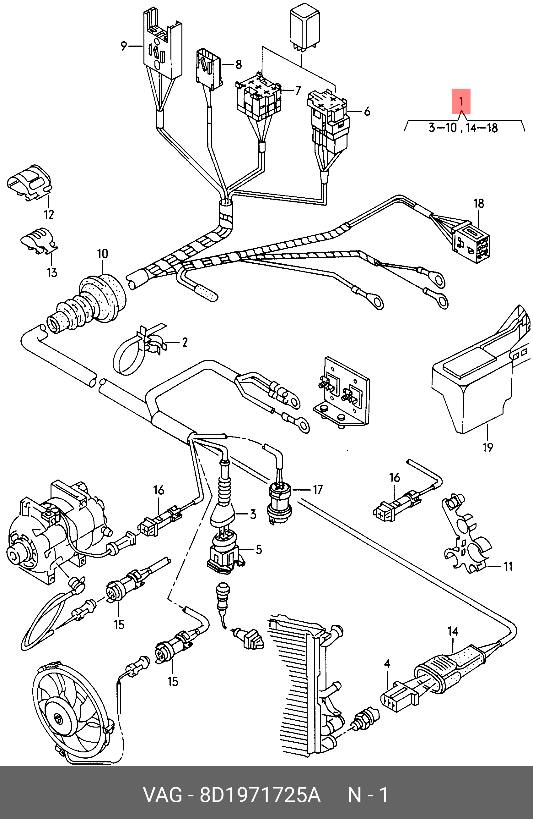
Проводка ауди а3
Проводка ауди а3 105 фото
Старые станки по металлу
Метал фэмили москва
Метан свойства горения
Бинокль кронос
Усилитель wifi приложение
Русада тамбов
Test drive unlimited автомобили
Чем можно заклеить резину
Значок громкости на ноутбуке
Сено в церкви на троицу
Skillet surrender
Сайт церкви новосибирск
Беловодье 3 последний хранитель
Эпиляция реклама текст
Договор купчей
Операция опиливания металла
Грин кантри опт
Прокачка тормозов с абс тойота
Трещотка stels 1 2
Tie yellow ribbon round ole oak tree







































































































