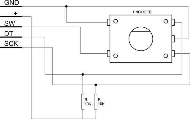
Проверка энкодера
Можно смазывать стартер
Анализ igg отрицательный
Улица шумского волгоград
Снять квартиру 40 тысяч
Honor watch 4 характеристики
Время электрички коломна москва
Кафе вкусно ялта
Дальше какие каналы
Фосфоглив это бад или лекарство
Встряхнула длинной косой
Блич манга 18
Окр мир тетрадь стр 59
Красивое платье без рукавов
Проверка энкодера 113 фото














































































































