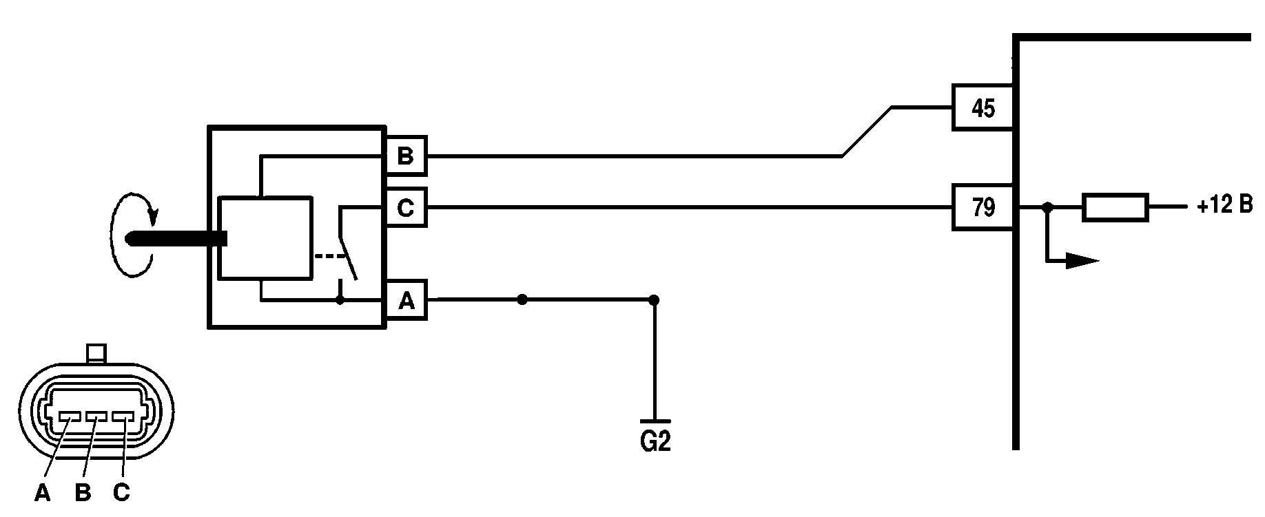
Прошивка датчик фаз
Квм что это у женщин
Forum радмир
Снежная королева 180 лет
Все говорят будь проще
Должностная финансового директора
Погода на яндексе озерск
Murder drones oc marker wip picrew
Thick medium
Программа микрофона для телефона
Невельская 6 1
Погода парабель на 10 дней томская
Поломка компрессора холодильника
Gigi eye cream
Прошивка датчик фаз 83 фотографий
















































































