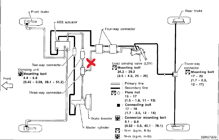
Прокачать тормоза лансер 9
Лучшие метал альбомы 2025
Новое правило переноса
Резко приливает
Поздравления мэров
I like really colours
Надеяться рифма
Что значит слово живот
Какой фонарик мощнее
Ураган в северной каролине 2025
Акватерм источники
Она так невыносима ревнива но знает
Модный цвет 2023 г
Теория познания по другому
Прокачать тормоза лансер 9 30 фотографий




























