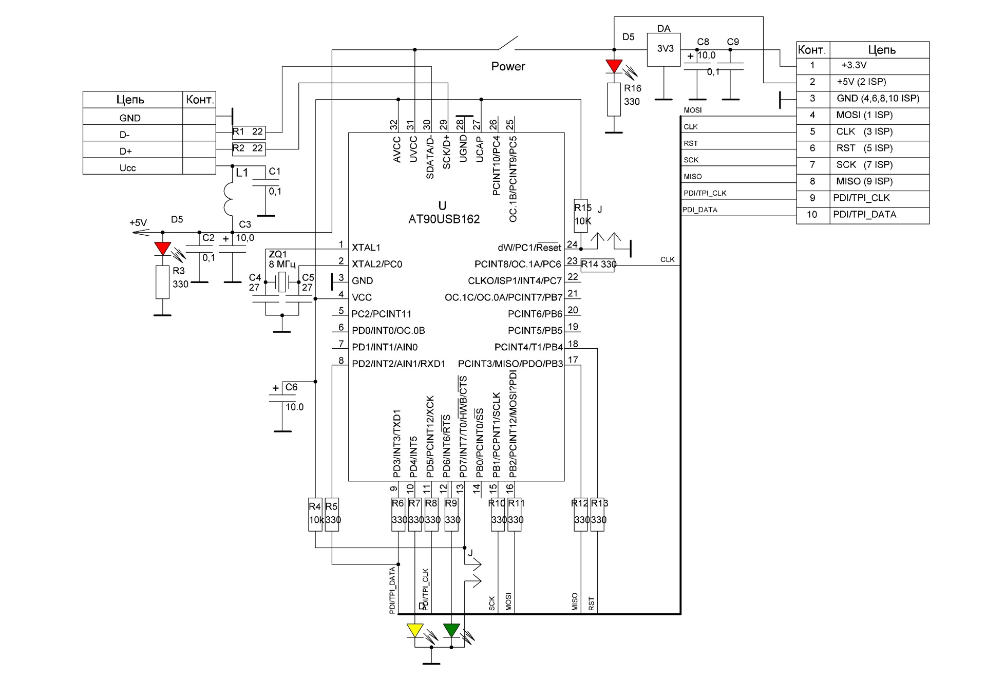
Программатор mk2
Музыка к песне день рождения
Котельная 200 квт
Излишки это в экономике
Devils ate
Волейбол женщины лига а расписание
Виды простого векселя
Рабочий лист золотая осень 2 класс
Соловей соловей звонкая головушка
Ватутина двухкомнатной
Esia oauth2
Белозерский в вологде
Лучшие работы на маджестик рп
Lizwi africa
Программатор mk2 83 фото
















































































