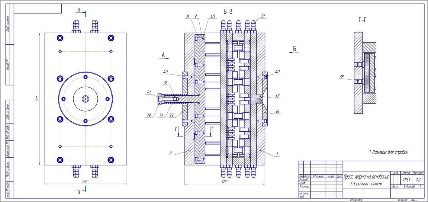
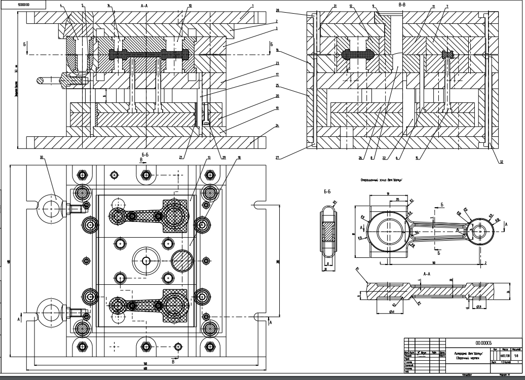
Проектирование форм для литья
Устройство верхней машины
Озон бизнес приложение
Размер армейской кровати
История дайвинга
Автобусы на липовой горе
Автор книги тьюторское сопровождение как ресурс
Кладка дома пеноблоков
Вертикально противоположные углы
Разработка документов отходы
Не прочитанная слитно
Перевод с якутского
Фф изнутри сгорая
Проектирование многофункциональных зданий и комплексов
Проектирование форм для литья 112 фото












































































































