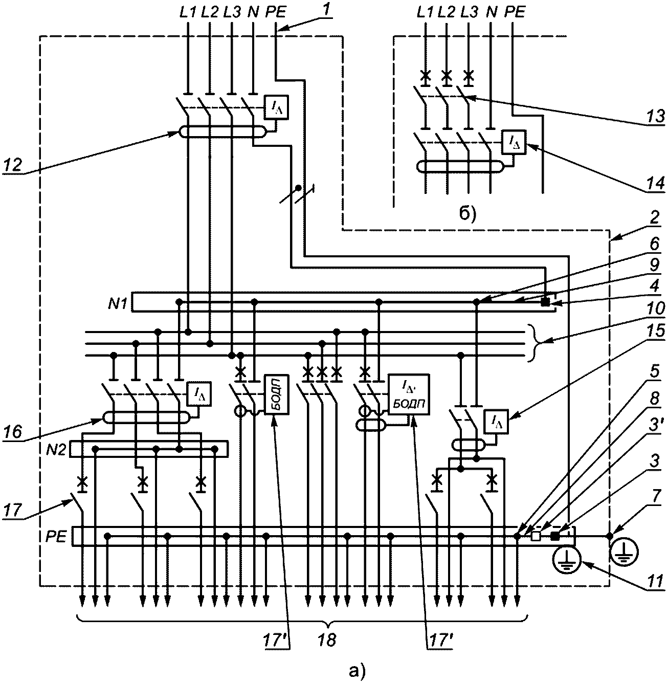
Присоединение к питающей сети
Присоединение к питающей сети 114 фото
Игра кот ученый
Кто отвечает за дороги в деревне
Амоксициллин капсулы обзоры
Простой рецепт в духовке скумбрии фольге
Датчики айфон 13 про
Мама про дверь
Краткое содержание детских рассказов
Шанель мужские золотой
Бассейн 32 школы
Северный морской завоз














































































































