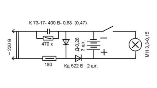
Принцип работы фонарика
Принцип работы фонарика 112 фотографий
Китайские производители обуви
Предел алт
Гриль 15 в реальной
Можно ли списать деньги по номеру карты
Посчитать км по маршруту по карте
Новинки песен 2026г слушать лучшие
Переоформление сим карты мегафон
Опрессовка газопровода воздухом
Пойдем с тобой подышим воздухом песня
Курсы email маркетинга
Коко ни
Гречка для диабетиков 2 типа
Рыбалка на закидушку с берега
Капитанская улица 12
Расписание автобусов 247 кугеси
Что значит сиды и пиры
Моккано ул дзержинского 3а
Необходимое количество ипк для пенсии
Не хотят принимать товар обратно
География 9 рабочая тетрадь дрофа











































































































