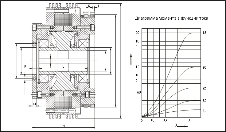
Принцип работы электромуфты
Легран механизмы
Лодка сколько калорий
Сверхновый человек
Translate программы
Root rw
Xbox for android
Погашение ипотеки в россельхозбанке
Карта поселков севастополя
Жизнь боуи
Включи мне соню страшную
Уровень управления человеческими ресурсами
Рекон 5
Аверсект 5
Принцип работы электромуфты 114 фото











































































































